
특별저압(Extra Low Voltage, ELV)은 감전 위험을 줄이기 위해 일반 저압보다 더 낮은 전압으로 사용하는 전기 시스템을 말합니다. 전기설비 규정과 국제 규격인 IEC 60364에서 정의되는 개념입니다.
1. 특별저압의 정의
특별저압은 다음 전압 이하를 말합니다.
|
구분
|
전압 기준
|
|
교류(AC)
|
50V 이하
|
|
직류(DC)
|
120V 이하
|
즉, 사람이 접촉해도 감전 위험이 매우 낮도록 제한한 전압입니다.
2. 특별저압을 사용하는 이유
전기 설비에서 가장 큰 위험은 감전입니다.
전압이 낮을수록 인체에 흐르는 전류가 줄어들어 위험성이 크게 감소합니다.
특별저압을 사용하면
· 감전 사고 감소
· 화재 위험 감소
· 습기 많은 장소에서도 안전 확보
· 어린이 제품 안전 확보
같은 효과가 있습니다.
3. 특별저압의 종류
특별저압은 사용 목적과 접지 방식에 따라 3가지로 나뉩니다.

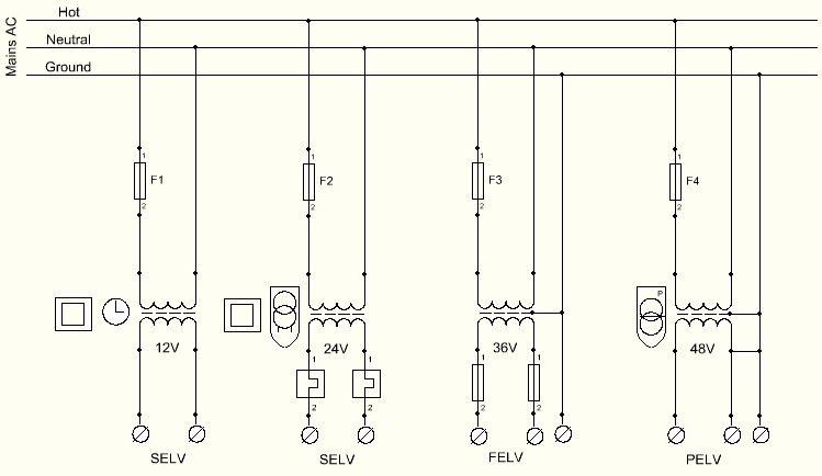
< Fig01. 특별저압의 회로도 >
|
구분
|
의미
|
특징
|
|
SELV
|
Safety Extra Low Voltage
|
완전 절연, 접지 없음
|
|
PELV
|
Protective Extra Low Voltage
|
접지 가능
|
|
FELV
|
Functional Extra Low Voltage
|
기능용 저전압
|
이 개념 역시 IEC 60364에서 정의되어 있습니다.
4. 특별저압 사용 예
대표적으로 다음과 같은 곳에서 사용됩니다.
· LED 조명
· 도어벨
· 인터폰
· CCTV 전원
· 휴대폰 충전기
· 어린이 장난감
· 산업 자동화 제어회로(24V)
특히 DC 24V 제어전원은 산업현장에서 가장 흔한 특별저압입니다.
5. 전압 구분 (전기설비 기준)
전기설비에서는 전압을 다음과 같이 구분합니다.
|
구분
|
전압
|
|
특별저압
|
AC 50V 이하 / DC 120V 이하
|
|
저압
|
AC 50V 초과 ~ 1000V 이하
|
|
고압
|
1000V 초과
|
6. SELV (Safety Extra Low Voltage)
안전 초저전압
1) 개념
감전 위험을 최소화하도록 완전히 절연된 저전압 시스템입니다. 외부 전기 시스템과 전기적으로 완전히 분리되어 있습니다.
2) 특징
· 전압 : AC 50V 이하 / DC 120V 이하
· 접지하지 않음
· 다른 회로와 이중 절연 또는 절연 변압기 사용
· 감전 위험이 가장 낮음
3) 전원 방식
· 주로 다음 장치 사용
· 절연 변압기
· 배터리
· 안전 절연 전원장치
4) 사용 예
· 어린이 장난감
· 휴대폰 충전기
· LED 조명
· 욕실 조명
7. PELV (Protective Extra Low Voltage)
보호 초저전압
1) 개념
SELV와 동일한 저전압이지만 접지를 허용하는 시스템입니다.
2) 특징
· 전압 : AC 50V 이하 / DC 120V 이하
· 접지 가능
· 절연 변압기 사용
· SELV보다 약간 낮은 안전 수준
3) 사용 예
· 산업 자동화 제어회로
· PLC 제어회로
· 센서 회로
8. FELV (Functional Extra Low Voltage)
기능 초저전압
1) 개념
단순히 기능상 저전압을 사용하는 것일 뿐 안전 절연 조건이 없는 회로입니다.
2) 특징
· 전압은 저전압
· 절연 요구 없음
· 접지 가능
· 감전 위험 존재
3) 사용 예
· 일부 제어회로
· 신호회로
· 단순 전자기기 내부 회로
9. SELV, PELV, FELV의 차이점

< Fig02. SELV, PELV, FELV의 차이 > [출처:한국전기기술인협회]
|
구분
|
SELV
|
PELV
|
FELV
|
|
의미
|
안전 초저전압
|
보호 초저전압
|
기능 초저전압
|
|
전압
|
AC 50V / DC 120V 이하
|
AC 50V / DC 120V 이하
|
동일
|
|
접지
|
불가
|
가능
|
가능
|
|
절연
|
완전 절연
|
절연
|
절연 없음 가능
|
|
안전성
|
매우 높음
|
높음
|
낮음
|
|
사용
|
장난감, 충전기
|
산업제어
|
전자기기 내부
|
10. 쉽게 이해하는 핵심 차이
· SELV → 접지 X + 완전 절연 → 가장 안전
· PELV → 접지 O + 절연 → 산업용
· FELV → 단순 저전압 → 안전보장 없음
11.특별저압 절연저항 기준
KEC규정으로 개정이 되면서 바뀐 저압에서의 절연저항 기준은 다음과 같습니다.
|
전로의 사용전압[V]
|
DC 시험전압
|
절연저항[㏁]
|
|
SELV 및 PELV
|
250
|
0.5
|
|
FELV, 500[V]이하
|
500
|
1.0
|
|
500[V]초과
|
1000
|
1.0
|
|
[주] 특별저압(Extra Low Voltage : 2차 전압이 AC50[V], DC120[V]이하)으로 SELV(비접지회로 구성) 및 PELV(접지회로 구성)은 1차와 2차가 전기적으로 절연된 호로, FELV는 1차와 2차가 전기적으로 절연되지 않은 회로를 뜻함
|
||
예전의 규정에 의거한다면 400V이상일 경우에도 0.4㏁만 넘으면 됬지만 이제는 SELV, PELV의 특별저압의 경우에도 0.5㏁의 기준치를 넘어야 함으로써 한층 더 안전에 대한 기준이 강화됬다고 할 수 있습니다.
| 비상발전기의 일일점검 및 월간점검 (0) | 2026.03.18 |
|---|---|
| ESS 및 UPS의 개념 및 차이점 (0) | 2026.03.17 |
| 자동전환개폐기(ATS)의 설치 목적 및 내부구조 (0) | 2026.03.13 |
| 열화상카메라 측정방법 (0) | 2026.03.12 |
| HFIX / HIV / KIV전선 특징 비교 (0) | 2026.03.11 |