
1. 자가용 전기설비 보호계전 System의 기본
1) 보호의 목적
ㆍ 전기 계통, 전기기기의 이상 상태를 신속 검출, 제거-인명안전 , 설비보호
ㆍ 파급사고 방지-공급 신뢰도 향상
2) 보호계전 System의 기능과 구성
① 기능
ㆍ 정확성 : 이상을 정확히 검출하여 제거
ㆍ 신속성 : 이상을 가급적 빨리 제거
ㆍ 선택성 : 검출하고 제거하는 범위를 가급적 최소화
② 구성

3) 주보호, 후비보호
① 주보호
보호 System을 계통구분개소마다 설치하여 사고 발생시에 사고점에 가장 가까운 위치부터 가장 빨리 동작하여 이상부분을 최소한으로 분리하는 것.
② 후비 보호
주 보호가 오동작하였을 경우 Back-up 동작하는 것.

4) 구간 보호 방식

ㆍ 보호구간의 끝에 변류기를 설치하여 차전류로 동작
ㆍ CT를 보호구간이 중복되도록 설치
5) 한시차 계전방식


ㆍ 동작시간의 차로 사고구간 구분
ㆍ 자가용 전기설비의 방사상 계통 단락보호에 적절
ㆍ 보호시간이 길어지는 단점이 있지만 주보호ㆍ후비보호를 동시에 할 수 있어 경제적
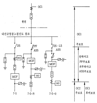
2. 수전회로 보호(방사성 계통)
1) 22.9KV 정식설비
ㆍ CT는 차단기 1차 설치가 바람직
ㆍ OC2 보호계전기는 강반한시 사용이 바람직
ㆍ 큰 단락사고에 대하여 PF 동작 가능
ㆍ 과부하 사고에 ASS동작가능
ㆍ CT는 과전류 정수, 과전류 강도 부담등 고려
2) 22.9KV 간이설비

ㆍ 800A 미만의 사고에 대하여 ASS가 무압상태에서 차단(한전의 Recloser와 협조)
ㆍ 단락사고에 대하여 PF 차단
※ 완벽한 보호가 어렵기 때문에 임시 동력등 특별한 경우 이외는 사용하지 않는 것이 바람직하다.
3) 수전회로 지락보호

ㆍ 22.9KV-Y계통은 지락전류가 크기 때문에 그림과 같은 잔류회로를 이용
3. 변압기 보호
1) 변압기 보호장치 기준

|
용 량
|
보 호 장 치
|
|||
|
과전류
|
내부고장
|
온도상승
|
기 타
|
|
|
5,000KVA 미만
|
|
△
|
△
|
|
|
5,000KVA 이상 10,000KVA 미만
|
○
|
◎
|
|
|
|
10,000KVA 이상
|
○
|
○
|
◎
|
|
|
송유풍냉식, 송유자냉식
|
|
|
|
송풍기 오일펌프 정지시 경보
|
|
수냉식
|
|
|
|
냉각수 단수시 경보
|
※규정 - ◎ : 경보, ○ : Trip, △ : 권장
상시 감시하지 않는 변전소 3,000KVA 초과는 온도상승시 차단장치
2) 전기적 보호장치
① OCR
ㆍ 변압기 1차에 순시 요소부 과전류 계전기 설치
ㆍ 변압기 정격전류의 150% 정도에 정정
② 비율차동 계전기
․ 변압기의 내부 단락 및 지락고장 검출
ㆍ 외부사고시 등의 과대전류가 통과할 때는 큰 차전류가 동작코일로 흐르지 않으면 계전기가 동작하지 않고 적은 전류가 통과할 때는 적은 차전류만으로 동작, 이런 억제전류와 동작전류의 일정한 비율관계로 동작하기 때문에 비율차동계전기라 한다.
ㆍ 여자돌입전류에 의한 오동작 방지회로가 구성되어야 한다.
3) 기계적 보호
① 보호계전기(Protective Relay)
ㆍ OLTC 유격실에 결함이 발생하면 결함이 생긴 부분으로부터 전달되어 변압기와 탭 절환기를 보호한다.
ㆍ 콘서베이터의 절연유가 절환기 윗부분에 있는 절연유의 이동에 의해 동작되는데 정격부하 혹은 허용과부하 상태에서의 탭 절환기 동작시에는 동작하지 않는다.
② 충격압력계전기(Sudden Pvessuve Relay)
ㆍ 유입변압기 내부 아크에 의해 가스압력이 갑자기 상승하는 것을 감지하기 위해 설치한다.
ㆍ 용기내에 압력감지 벨로우즈, 마이크로스위치, 등압기 등으로 구성되며 변압기 상부의 가스공간에 설치한다.
③ 방출안전장치(Auto resetting pressuve veliet clevice)
ㆍ 변압기 카바에 취부되며 변압기 외함내에 이상압력 발생을 막아주는 장치, 즉 일정압력 초과시 방압막이 동작하여 변압기의 폭팔을 막아준다.
ㆍ 방출안전장치의 구조는 여러번 동작에 손상되지 않고 충분히 견디도록 강하게 만들어져 있고 동작부분은 방압막, 압축스프링, 가스켓 및 보호덮게로 구성되어 있다.
4. 배전계통 보호
1) 방사상 계통의 단락보호
ㆍ 과전류 계전기에 의한 한시차 계전방식 적용
ㆍ 순시요소 제거가 바람직한 경우가 있다.
2) 스포트 네트워크 방식
ㆍ 1회선의 변압기 및 배전선에 사고가 발생하여도 정전되지 않고 나머지 회선에서 전부하용량을 견디도록 되어 있는 관계로 역전력 차단, 무전압투입, 차전압투입 되도록 한다.
3) 지락보호
① 직접접지 계통
ㆍ CT3개의 Y잔류회로를 이용한 OCGR 사용
② 저항접지계통
ㆍ CT비가 적은 경우는 Y잔류회로를 이용
ㆍ CT비가 큰 경우는 3권선 CT 또는 관통형(RingCT) CT 이용
③ 비접지 계통
ㆍ GPT ZCT 및 SGR 조합
5. 전력용 콘덴서 보호
1) 과전류 계전기
콘덴서 내부소손 보호
|
용 량
|
보호장치
|
차단
|
|
|
500KVA이하
|
과전류
|
△
|
|
|
500KVA이상
15,000KVA미만 |
11KV미만
|
과전류
|
○
|
|
11KV이상
|
과전류
내부고장 과전압 |
○
○ △ |
|
※규정 - △ : 권장, ○ : 반드시 설치
2) 과전압 계전기
콘덴서에 직렬리액터가 설치되면 콘덴서 단자전압이 상승한다. 또한, 경부하시 변압이 리액턴스 분의 전압상승도 발생할 수 있으므로 과전압계전기를 설치하여 보호하는 것 이 바람직하다. KS규격에 콘덴서는 110% 전압까지 견딜 수 있도록 제작되므로 이에 맞게 정정한다.
3) 부족전압계전기
계통 정전후 전압이 회복되었을 때 무부하인 상태에서 콘덴서만 투입되는 것을 방지하기 위하여 UVR을 설치한다.
4) FUSE
100~200KVA 정도까지 한류 FUSE에 의한 보호가 가능하고 그것을 초과하면 고장 전류가 크게되므로 반드시 한류 FUSE로서 보호된다고 할 수 없으므로 내압이나 case의 팽창을 검출하든지 Y결선으로서 중성점의 불평형을 검출하는 방법이 적용된다.
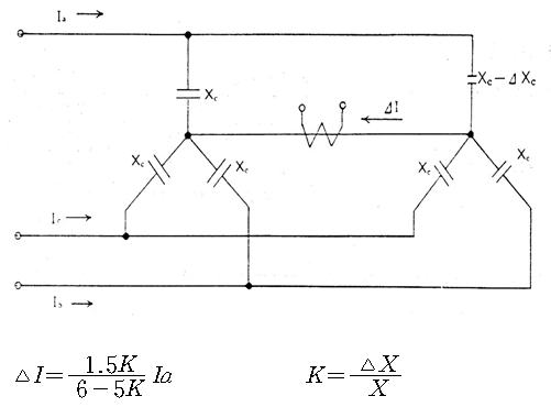
5) 콘덴서 내부사고 보호
① Y-Y 결선, 중성점간 전류검출 방식(Neutral Current Sensing)
이 방식은 Y로 결선된 콘덴서를 2조로하여 콘덴서 고장시 중성점간에 흐르는 전류를 검출하는 방식이다.
특히 고장전류에 의한 전기적 검출속도가 빠르고 신뢰도가 높은 장점을 갖고 있다.

· Ia : 정격 전류
· Xc : 정상 reactance
· △Xc : 변화분 reactance
콘덴서의 정상 운전시에는 중선점간의 전류가 흐르지 않고 내부고장 발생하였을 경우 두 중성점간에 불평형 전류가 흐르게 된다. 한쪽 콘덴서 소자가 완전 단락되면 고장상의 전류는 정격전류의 3배가 되고 정상상에는 루트3배의 전압이 가해진다.
② Y 및 Y-Y 결선의 중성점 전압검출장식(Neutral Voltage Sensing)
이 방식은 5.5.1 에서 설명한 Y-Y결선 중성점간 전류 검출방식과 같은 장점을 갖고 있다.

중성점 전압 Vn은 다음식과 같다.

③ Open delta 방식과 전압차동방식
Open delta 방식은 고압 및 특고압, 전압차동방식은 특고압에 주로 사용한다.
다음에 이들 결선방식을 간략히 도시하였다.
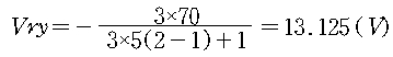
각상의 방전 Coil 2차측을 delta 견선한 것으로 평형상태의 Vry 전압은 0Volt이나 고장시 Vry에 전압이 검출된다. Open delta 방식의 이상전압 검출 예)를 나타낸다.

· Vc: 방전 coil 2차측 정격 전압
· P : 단기의 병렬 대수 (각상당)
· S : 단기 내의 직렬 회로수
예) 6.6KV, 3000KVAR Bank를 단기 3.8KV, 200KVA로 구성, Y결선 하였을 때 소자1개 파괴시 검출전압을 구하라.(S.R 무시한 경우) 3.8KV, 200KVA(단기 내부 직렬 회로수 2), 각상에 5대 병렬 설치하면 S: 2, P:5, Vc:70(V)로 하면


open delta 방식과 같은 원리이나 절연처리의 잇점 때문에 특고압에 적용된다. 전압차동방식에 대한 이상전압 검출식 및 예는 다음과 같다.

· Vc: 방전 Coil 2차측 정격전압
· P : 단기의 병렬 대수(각상당)
· S: 단기내의 직렬회로수
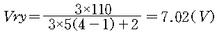
예) 22.9KV, 5000KVAR Bank를 콘덴서 단기 1φ 6.6KVA 단기를 1상당 5P로 구성하면 Vry는 얼마인가?
단기내부 직렬회로수는 4, Vc=110(V), S=4, P=5

④ Arm Switch (기계식)
콘덴서 외함의 팽창 변위를 검출하여 고장을 판별하는 방식이다. 원리는 큰 고장시의 내부압력에 의한 외함의 변형을 micro switch와 결합된 Arm으로 하여 Circuit Breaker에 차단 신호를 보내도록 한 것이다.
| 전기설비 보호계전 시스템 Chapter.03 - 유도형 비율차동계전기 (5) | 2024.05.07 |
|---|---|
| 전기설비 보호계전 시스템 Chapter.02 - 과전류 계전기(OCR) (2) | 2024.05.03 |
| 전력공학 공식(Power Engineering Maths) Chapter.06 (0) | 2024.04.30 |
| 전력공학 공식(Power Engineering Maths) Chapter.05 (0) | 2024.04.29 |
| 전력공학 공식(Power Engineering Maths) Chapter.04 (0) | 2024.04.26 |