
1. 시퀀스 제어기기의 종류
1) 입력기구 : 수동 스위치 , 검출 스위치 및 센서
① 스위치(Switch) ; 회로의 개폐, 또는 접속 변경 등의 작업 수행
▶복귀형 수동 스위치
⇒ 조작중에만 접점 상태가 변하고 조작을 중지하면 원래상태로
복귀하는 스위치
(push-button switch(PBS<PB<BS)와 foot switch)
▶유지형 수동 스위치
⇒ 조작하면 접점의 개폐 상태가 그대로 유지되는 마이크로 스위치,
텀블러 스위치, 셀렉터 스위치 등
▶검출 스위치
⇒ 제어 대상의 상태, 또는 변화를 검출하는 리밋 스위치, 센서가 있고
위치, 압력, 힘, 빛, 온도, 수위, 속도, 전압, 전류 등의 물리량의
검출과 고장,제품 수리등의 검출에 사용
(Limit s/w, Photo s/w, Proximity s/w 등)
② 전자 계전기(Magnetic Relay) ; 전자력에 의하여 접점을 개폐하는 제어 장치
▶보조 릴레이, 전자 개폐기(MC)
2) 출력기구 : 전자 개폐기(MC), 전자 밸브(SV), 솔래노이드(Sol)
표시 램프(Pilot Lamp), 경보기구(Buzzer, Bell)
3) 보조기구 : 보조 릴레이, 논리소자, 타이머 소자, 입출력 소자, PLC 장치
2. 푸시 버튼 스위치
푸시 버튼 스위치(PBS : Push Button Switch)는 수동으로 보턴을 누르면 접점 기구부가 개폐동작을 행하여 전로(電路)를 개로 또는 폐로

< Fig01. 푸쉬버튼 >

< Fig02. a,b접점 기호 >

< Fig03. a접점 복귀상태와 동작상태 >
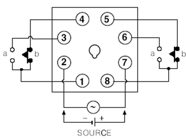
3. 릴레이(Relay)
전자계전기라고도 불리며, 전자석에 의한 철편의 흡입력을 이용해서 접점을 개폐하는 기능을 가진 제어기기

< Fig04. 릴레이 >

< Fig05. 릴레이의 기호 >

< Fig06. 릴레이의 동작원리 >

< Fig07. 릴레이의 접점접속 >

< Fig08. 릴레이의 측면도 >
코일에 전류를 흘리면 (이를 여자라고 함) 철심이 전자석이 되어, 가동철편을 끌어당기면 스프링에 의해 접점이 개폐된다.

< Fig09. 릴레이의 번호 >

< Fig10. 릴레이의 소켓 >

< Fig11. 소켓 측면도 >
4. 타이머 (Timer)


< Fig12. 타이머 >

< Fig13. 타이머 접점기호 >
A접점
(1번-3번, 8번-6번)
B접점
(1번-4번, 8번-5번)
전원 접점
(2번-7번)
5. 타이머 (Timer)용 소켓


< Fig14. 타이머용 소켓 >

| 시퀀스 제어(Sequence controll) - 인터록회로 / 자기유지회로 등 (0) | 2024.02.27 |
|---|---|
| 시퀀스 제어기기(Sequence control device) - 타이머 / 전자개폐기 / 열동형과부하계전기 등 (0) | 2024.02.26 |
| 시퀀스 제어(Sequence controll)의 종류 및 개요 (0) | 2024.02.19 |
| 케이블의 종류에 따른용도 (2) | 2024.02.15 |
| 전동기의 외함 형식(Motor's body type) - 개방형, 전폐형 (0) | 2024.02.07 |