
1. 단상 반파 정류회로(Half wave Rectifier)

< Fig01. 반파 정류회로 >
● 동작설명
정류하고자 하는 전압이 단상 교류로서 ⓐ의 파형이 그림 5-1 ⒝과 같은 파형이 입력될 때 정류기(D)의 애노드측이 '+'반주기 때만 정류기가 동작하여 부하에 정류 전류가 흘러 C에 충전된다. 그리고 Θ반파가 입력될 때는 정류기가 동작하지 않는다.
ⓑ의 출력 전압파형은 콘덴서로 평활(충 방전)되어 그림(Fig01)의 ⒞ 정류파형과 같이 된다. 반파정류회로는 간단하나, 직류분에 비하여 맥동률이 크고, 전원 전압의 이용률이 나쁘다는 것이다.(정류 효율은 최고 40.6%), 출력에 포함된 맥동 주파수는 전원 주파수와 같고, 전원 변압기 2차 측에 한쪽 방향으로만 전류가 흐르므로 철심이 직류에 의해 자기포화가 된다.
※ 평활회로
그림의 회로는 콘덴서 입력형 평활 회로로서 부하에 병렬로 콘덴서를 연결한 것이다. 교류의 '+' 반파 때 정류기 출력전압이 증가하고 있는 동안은 콘덴서에 최대치 전압까지 충전 되며, 콘덴서 내부에 에너지가 저장된다.
'-'반파 때는 정류기는 동작하지 않으나, 부하와 병렬인 콘덴서에 축적된 에너지가 부하에 방출되어 전압의 맥동을 방지하여 평활 역할을 한다. 평활회로는 콘덴서 외에 저항 또는 쵸크를 삽입하여 리플을 줄이고자 필터회로를 부가하고 있다.
2. 양파 정류회로(Full wave Rectifier)
Center Tap이 있는 트랜스와 정류기 2개를 이용하여 아래의 그림(Fig02)과 같이 양파 정류회로를 구성한다.

< Fig02. 양파 정류회로 >
● 동작설명
그림(Fig02) ⒜정류회로의 Center Tap단자에 대하여 ⓐ 단자 측이 '+'일 때는 정류기 D1이 ON되면 ①의 점선 방향으로 그림(Fig02) ⒝ 정류파형의 ①과 같은 파형의 정류전류가 흘러 C에 충전되며, 위상이 바꾸어 ⓑ단자측이 '+'가 되는 순간에는 D2가 ON 되어 ②의 점선방향으로 그림 5-2 ⒝ 정류파형의 ②와 같은 정류전류가 흘러 C에 충전된다. ⓒ점의 출력전압 파형은 그림 (Fig02) ⒝정류파형의 ③ 출력파형과 같이 된다.
양파 정류회로의 장점은 중간 TAP이 있는 전원 트랜스가 있을 때 가장 간단한 정류회로이며 큰 전류를 얻을 수 있는 이점이 있다. 양파 정류회로의 단점은 ⓐ, ⓑ단자의 전압이 같지 않을 때에는 리플 함유율이 크게 증가하는 결점과 트랜스의 중간 탭이 반드시 있어야 한다.
이 회로의 특징은 부하에 흐르는 정류 전류는 반파 정류기의 2배가 되고, 정류 출력전압이 크며, 전원전압의 이용률이 높고(정류효율 최대 81.2%), 트랜스의 직류 자화가 없다. 또한 출력에 포함된 맥동 주파수는 전원주파수의 2배가 되고, 맥동률이 낮으며, 출력전압의 약 2배인 전압의 변압기가 필요하며, 변압기 2차측에 중간단자가 꼭 필요하다.
전파정류는 반파정류보다 맥동율이 매우 작아 효과적인 정류방식이다.
3. 브리지 정류회로(Bridge Rectifier)
그림(Fig03)의 브리지회로는 다이오드4개를 조합하여 구성한 정류회로로 전파정류를 하며 특징은 아래와 같다.
※ 특징
● 교류전압이 불균형으로 인하여 Ripple이 생길 염려가 없다.
● 높은 출력 전압을 얻을 수 있다.
● 고압용에 적합하다.

< Fig03. 브리지 정류회로 >
● 동작 설명
그림(Fig03) ⒜정류회로의 ⓐ단자의 파형이 '+'가 되는 순간 D2, D4는 순방향 전압이 걸리게 되어 Diode는 ON상태가 되어 ①의 점선방향으로 정류전류가 흘러서 그림(Fig03) ⒝정류파형의 ①과 같은 출력파형이 C에 충전된다. 이때 D1, D3은 역방향 전압이 걸려 OFF상태가 된다. 위상이 바뀌어 ⓑ단자가 '+'일 때는 D1, D3이 순방향 전압이 걸리게 되어 이 Diode는 ON상태가 되어 ②의 점선방향으로 정류전류가 흘러 그림(Fig03) ⒝정류파형의 ②와 같은 출력파형이 C에 충전된다. 또한 D2, D4는 OFF상태가 된다. 계속해서 ①, ②의 방향의 정류전류가 교대로 흘러 출력전압의 ⓒ파형은 그림(Fig03) ⒝정류파형의 ③과 같이 된다.
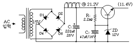
4. 전원 회로의 실제

● 회로 설명
㉮점의 전압은 AC(트랜스 2차 전압)

(DC전압) C1은 DC전압 중에 AC성분(Ripple)을 제거해주고 DC성분의 전류를 충전시켜 전류 충실도를 높여준다. 콘덴서의 용량이 클수록 Ripple(Hum)성분이 없어져 S/N비가 좋아진다.
5. 반파 배전압 정류회로

< Fig04. 반파 배전압 정류회로 >
정류작용을 함과 동시에 직류출력 전압을 교류전원 전압보다 2배 가량으로 높일 수 있다. 그림(Fig04) ⒜정류회로의 ⓑ단자 측이 '+'전압이 공급되면 D1을 통해 ①의 실선방향으로 전류가 흐르며 C1(배압 정류를 하기 위하여 사용되는 배압정류용 Condenser)에 정류된 직류전압이 충전되고 다음 순간 ⓐ단자 측이 '+'전압이 공급되면 전원 전압 Eac와 C1에 충전된 직류전압(Edc가 합해져서) D2를 통해 ②의 실선방향으로 정류전류가 흐르기 때문에 ⓒ점의 C2에는 전원 전압의 약2배가 되는 직류전압이 출력하게 된다.
| 디지털 (Digital)과 아날로그 (Analog)의 차이점 / 디지털시스템의 특징 (0) | 2023.02.10 |
|---|---|
| 정전압 회로(Regulated Circuit)의 제어방식, 회로구성 설명 (0) | 2023.02.09 |
| 직류(DC)와 교류(AC) 차이점 / 전원회로의 정의 (0) | 2023.02.07 |
| 트랜지스터(Transistor)의 결합방식에 따른 증폭회로 / 전력 증폭 회로 (0) | 2023.01.31 |
| 트랜지스터(Transistor)의 Bias / 트랜지스터의 접지 방식 (0) | 2023.01.30 |