
1. 트랜지스터의 증폭작용

< Fig01. TR의 증폭작용 >
증폭작용은 스위칭 작용과 달리 TR의 활성 영역을 이용하고 있어 Base에 R1이라는 Bias저항을 통해 항상 전압이 공급되도록 되어 있다. 트랜지스터에 Bias전압이 인가되면 Ib전류가 흐르게 된다. Ib전류가 흐르면 Ic전류가 흐르므로 트랜지스터는 항상 동작을 하고 있는 상태가 된다. 수도밸브를 잠겨진 상태에서 최대로 열릴 때까지 회전수가 10바퀴라고 가정하고 5바퀴를 항상 열어 놓았을 때(Bias 전압을 공급할때) ⓐ점의 구멍으로 나오는 물의 수압(전압)은 스위칭 때와 달리 TR의 E-C간의 전류는 계속 흐르게 되어 Vce 전압은 ①정도의 수압(중간의 전압)으로 수도관을 통해 물은 항상 나오게 된다.
이 때 트랜지스터의 B에 교류전압을 공급하면 트랜지스터의 Ic전류의 증가 또는 감소하게 되어 Vce전압은 ②(전압이 높아짐) 또는 ③(전압이 낮아짐)의 방향으로 변화하게 된다. 이러한 작용이 B의 적은 전압변화에 따라서 Vce전압이 크게 변화하게 됨으로 증폭되었다고 한다.

2. 트랜지스터의 접지 방식
전기회로는 입력단자 2개와 출력단자 2개로 4단자로 구성되지만 TR은 3 단자 뿐임으로 1개의 단자는 공통이 되어야 한다. 따라서 트랜지스터 증폭회로에서는 어떤 단자가 공통이 되는가에 따라서 그림(Fig02) 과 같이 에미터 접지회로, 베이스 접지회로, 콜렉터 접지회로로 불려지고 있다.

< Fig02. TR의 접지방식 >
1) 에미터 접지방식

※ 특징
① 입력과 출력의 위상차 180˚(역 위상)
② 전압 전류 증폭도가 크다.
③ 입 출력 임피던스가 중간이다.
④ 임피던스 매칭이 쉬워 가장 많이 사용한다.
2) 베이스 접지방식

※ 특징
① 입력과 출력의 위상차 0˚(동위상)
② 전압 증폭도가 크다.
③ 입력 임피던스는 낮고 출력 임피던스가 높다.
④ 출력 임피던스가 높고 차단 주파수가 높기 때문에 고주파 증폭단에 많이 사용한다.
⑤ 전류 증폭률

(1보다 작다)
3) 콜렉터 접지방식

※ 특징
① 입력과 출력의 위상차 0˚(동위상)
② 전류 증폭도가 크며, 전압증폭도는 1 이하다.
③ 입력 임피던스는 높고 출력 임피던스가 낮다.
④ 출력 임피던스가 낮아 임피던스 매칭기로 많이 사용한다.
⑤ 에미터 플로워 증폭기라 한다.
⑥ 100% 부 궤환(NFB)이 걸려 안정도 및 충실도가 좋다.
3. 트랜지스터의 Bias
TR증폭기에서 출력신호가 입력신호에 정확히 비례하여 찌그러짐이 없도록 하려면 입력신호가 없을지라도 베이스와 에미터 사이에 적당한 크기로 일정한 직류전압을 공급하고 일정한 전류를 공급해 주는 전압을 Bias전압이라 하며 Bias전압에 의해 B↔E 사이에 일정하게 흐르는 전류를 Bias전류(Ib)라 한다.
1) TR증폭기에서 Bias가 적당치 않으면 다음과 같은 현상이 발생한다.
① 이득이 낮다.
② 파형이 일그러진다.
③ 전력손실이 많다.
④ TR이 파손된다.
2) 바이어스의 종류
베이스에 Bias를 공급할 때 별도의 직류전원을 공급하는 것이 아니고 콜렉터 전원에서 적당한 저항으로 전압을 낮추어서 공급하고 있는데 그 종류에는 보통 4가지의 방법이 있다.
2-1) 고정 Bias
고정된 전원전압 Vcc를 Bias저항 Rb로 낮추어 적당한 베이스 전류가 흐르도록 하는 방식이다.

※특징
① Bias저항(Rb)이 전원사이에 들어있음.
② TR에 공급하는 전압, 전류가 낮을 때
③ 증폭율이 작은 TR을 이용할 때
④ 충실도가 문제되지 않을 때
⑤ 회로가 간단하다.
⑥ 회로 손실이 적다.
⑦ 안정도와 충실도가 나쁘다(음질이 나쁨)는 큰 결점이 있다.
2-2) 자기 Bias
자기 Bias는 콜렉터 전압(Ec)을 Rb로 낮추어서 적당한 베이스 전류가 흐르도록 하는 방식이다.(베이스와 콜렉터 사이에 Rb 연결)

※특징
① 회로가 간단하고 고정 Bias보다 안정하여 찌그러짐이 적다.
② TR에 공급하는 전압, 전류가 낮을 때
③ 직류 전류 손실을 적게 하고자 할 때
④ 입력 임피던스를 낮게 할 때
2-3) 전류궤환 Bias
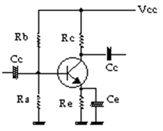
전류궤환 Bias는 고정Bias 회로에 Re와 Ra를 더 연결하고 Rb에 의해 Bias를 결정 시켜주는 방식이다.

※특징
① 회로가 복잡하다.
② Rb값이 예민
③ 직류전류(Ra, Rb를 통과하는 전류)손실이 많다.
④ 안정도가 좋으므로 현재 가장 많이 사용하고 있다.
2-4) 전압전류궤환 Bias
전압전류궤환 Bias는 자기 Bias와 전류궤환 Bias를 조합한 것으로 궤환량을 적절히 조절함으로써 입출력 임피던스를 자유로이 변화시킬 수 있어서 안정도가 가장 우수하다.
자기Bias회로에 Re와 Ra를 더 연결해 준 것인데 Re에서 전류 부궤환이 걸리고 Rb에 의해 전압 부궤환이 걸린다.

※특징
① 진류손실이 적다.
② 주파수 특성(음질)이 좋다.
③ 안정도가 좋다.
④ 입력과 출력 임피던스가 낮다.
※ 증폭기의 정수결정

① Re는 저항값이 클수록 안정도는 좋아지나 콜렉터와 에미터 사이의 전압(Vce)이 낮아져 이득이 감소한다.
② Re는 출력과 안정도를 고려하여 전원전압 Vcc의 1/10 ~ 1/5정도의 전압강하가 생기도록 결정한다.
③ Ra의 결정 Ra는 일정전류를 흘리면서 전원 전압을 분할하여 베이스에 일정한 전압을 걸어주기 위한 저항(브리더 저항 : Bleeder)인데 이 저항은 적을수록 변화하는 베이스전류가 무시되어 전압변동이 적기 때문에 안정도는 좋아지나 신호전류와 전원전류의 소비가 많다.
④ Ra = 5 x Re로 하고 있다.
| 직류(DC)와 교류(AC) 차이점 / 전원회로의 정의 (0) | 2023.02.07 |
|---|---|
| 트랜지스터(Transistor)의 결합방식에 따른 증폭회로 / 전력 증폭 회로 (0) | 2023.01.31 |
| 트랜지스터(Transistor)의 전기적 특성 / 트랜지스터의 용도 (0) | 2023.01.27 |
| 트랜지스터(Transistor)의 동작원리 및 측정방법 (0) | 2023.01.26 |
| 다이오드의 성질 / 다이오드의 용도 및 종류 (0) | 2023.01.25 |