
1. △-Y의 등가변환


2. 대칭 3상 교류 기전력

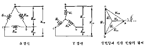
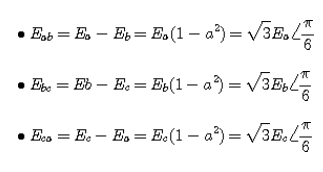
3. 대칭 3상 교류의 상전압과 선간전압

1) △ 결선인 경우
상전압 = 선간전압
2) Y 결선인 경우

4. 대칭 3상 교류의 상전류와 선전류

1) △ 결선인 경우

2) Y 결선인 경우
상전류 = 선전류
5. 평형 △-△ 결선의 전압과 전류의 관계

6. 평형 Y-Y 결선의 전압과 전류관계

7. 불평형 Y-Y 결선의 전압과 전류의 관계

1) 각 상의 전류

2) 중성점의 전위 및 중성선의 전류

여기에서, 중성선이 없는 경우에는 Yn = 0 이므로 In = 0 이 된다.
8. 다상 회로의 전력
1) n상 회로의 유효전력

2) 3상 회로

9. V 결선
1) 출력

2) 변압기 이용률

3) 출력비

| 회로이론 - 왜형파 (0) | 2021.10.04 |
|---|---|
| 회로이론 - 대칭좌표법 (0) | 2021.10.01 |
| 회로이론 - 회로망 (1) | 2021.09.29 |
| 회로이론 - 결합회로 (0) | 2021.09.28 |
| 회로이론 - 교류전력 (0) | 2021.09.27 |