
1. P형수신기의 배선
가. 공통선
다음과 같이 두 개의 전구를 개별적으로 점등시키기 위한 회로를 구성하기 위해서는 전원에서 나가는 (+)선은 개별적으로 구성되어야 각각의 전구를 점등시킬 수 있다.

< Pig.01 일반 배선 >
그러나 전원으로 들어가는 (-)선은 공통으로 사용해도 각각의 전구를 개별적으로 점등시킬 수 있는데, 이렇게 공통으로 사용하는 선을 공통선이라고 한다.
이렇게 공통선을 사용하면 수신기에서 감지기 , 발신기 , 전화잭, 지구경종 등을 연결할 때 전선수를 많이 줄일 수 있다.

< Pig.02 공통선 배선 >
위의 그림에서 전구는 수신기에 있는 릴레이 , 스위치는 감지기나 발신기라고 할 수 있다.
나. 하나의 경계구역의 연결
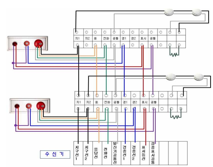
하나의 경계구역에는 일반적으로 감지기 , 발신기 , 지구경종으로 구성되는데 회로선(+), 응답선, 전화선은 하나의 공통선(-)을 사용하고 지구경종선, 표시등선은 별도의 공통선을 사용하여 구성하게 된다. 그러므로하나의 경계구역을 구성하기 위한 기본전선가닥수는 회로선, 응답선, 전화선, 회로공통선, 지구경종선, 표시등, 경종표시등공통선 7가닥의 전선이 필요하게 된다.
다. 여러 경계구역의 연결
하나의 경계구역을 연결하기 위해서 필요한 회로선(+), 응답선, 전화선, 회로공통선, 지구경종선, 표시등, 공통선 7개의 기본선 중에 응답선, 전화선, 지구경종선, 공통선, 표시등선은 병렬로 연결되기 때문에 경계구역수가 늘어나더라도 별도의 전선수가 늘어나지 않으나, 감지기 회로선은 경계구역수 만큼 필요하게 된다. 단 감지기 회로의 공통선(-)은 7개이하의 경계구역으로 하여야 함으로 경계구역수가 7개마다 한선씩 늘어나게 되며 , 지구경종이 직상층 경보방식으로 구성된 대상물에 대해서는 지상층의 각 층마다 구분해서 경보를 해주어야 함으로 지상층의 각 층마다 한선씩 늘어나게 된다.
※ 종단저항 설치기준
㉠ 점검 및 관리가 쉬운 장소에 설치
㉡ 전용함을 설치하는 경우 바닥으로부터 1.5m 이내 높이
㉢ 감지기회로의 끝부분에 설치하며 , 종단감지기에 설치할 경우 구별이 쉽도록
해당감지기의 기판 등에 별도의 표시를 할 것
※ 감지기회로는 송배선식 으로 한다.

< Pig.03 자동화재탐지설비의 간선계통도(우선경보방식) >
라. 경계구역 회로

○1회로(7선) : 응답선, 지구선(회로선), 전화선, 회로공통선, 경종선,
표시등선, 경종표시공통선
◦ 지구선 : 경계구역마다 1선씩 추가
◦ 발신기 공통선 : 7경계구역마다 1선씩 추가
◦ 전화선 : 간선 변화 없다
◦ 응답선 : 간선 변화 없다
◦ 경종•표시 공통선 : 간선변화 없다
◦ 표시등선 : 간선변화 없다
◦ 경종선 – 전층경보방식 : 1선으로 모두처리
- 우선경보방식 : 층마다 경종선 1선씩 추가
(지하층에는 경종선 1선으로 모두처리 )
| 옥내소화전설비의 화재안전기준 고시관련(FR-3, FR-8) 변경사항 (2) | 2022.06.13 |
|---|---|
| 내열전선(FR-3),내화전선(FR-8)의 종류 / 특징 (0) | 2021.10.25 |
| 소방시설(전기)점검실무 - 경보설비(수신기의 고장, 진단) (0) | 2021.09.13 |
| 소방시설(전기)점검실무 - 경보설비(수신기의 설치기준/시험방법) (0) | 2021.09.10 |
| 소방시설(전기)점검실무 - 경보설비(자동화재탐지설비의 경계구역) (0) | 2021.09.08 |