
1. 옥외설비의 바닥
액상의 위험물을 취급하는 옥외설비의 바닥은 당해 설비에서 위험물이 누설한 경우에 광범위하게 유출이 확산될 가능성이 크고 바닥으로 스며들어 토양을 오염시킬 수 있기 때문에 이것을 방지하기 위해 다음 기준에 적합하도록 설치하여야 한다.
1) 바닥 구조
바닥의 둘레에 높이 0.15m이상의 턱을 설치하는 등 위험물이 외부로 흘러 나가지 아니하도록 하여야 하고 스며들지 않게 콘크리트 기타 불침윤재료로 포장하며 턱이 있는 쪽이 낮게 경사지게 하여야 한다.

< Fig01. 옥외설비의 바닥 >
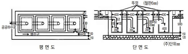
2) 누출시 위험물 처리시설
누출된 위험물이 한곳에 모여 처 리될 수 있도록 바닥의 최저부에 집 유설비를 설치하고 위험물 (온도20℃의 물 100g에 용해되는 양이 1g 미만인 것에 한한다) 을 취급하는 설비에 있어서는 당해 위험물이 직접 배수구에 흘러 들어가지 아니하도록 집 유설비에 유분리장치를 설치하여야 한다 유분리장치는 물과 위험물의 비중차이를 이용해서 분리시키 는 장치이다.

< Fig02. 유분리장치 >
| 위험물제조소의 시설기준 - 위험물 취급탱크 (1) | 2025.01.16 |
|---|---|
| 위험물제조소의 시설기준 - 피뢰설비, 방폭설비 등 (0) | 2025.01.08 |
| 위험물제조소 시설기준 - 배출설비 (0) | 2025.01.03 |
| 위험물제조소의 시설기준 - 조명, 채광, 환기설비 (0) | 2025.01.02 |
| 위험물제조소의 시설기준 - 건축물 (0) | 2024.12.31 |