
1. CLR의 사용 역할
방향지락계전기(SGR, DGR) 및 지락과전압계전기(OVGR)시용시 GPT에 사용된 CLR의 역할은 다음과 같다.
○ 지락방향계전기를 동작시키는데 필요한 유효전류를 발생시키고,
○ GPT 3차 개방삼각결선회로의 각 상전압중 제3고조파 발생분을 흡수하며,
○ 비접지 회로의 중성점이상 전위진동, 중성점 불안정 이상현상을 억제하는데 있다.
2. 지락시발생시 유효전류를 발생하는 역할
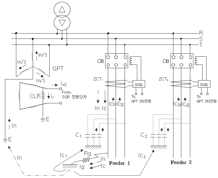
1) 비접지 계통 회로

< Fig01. 비접지회로 지락전류 계통 >
※ GPT : 접지변압기
ZCT1, ZCT2 : 영상변류기
CLR : 한류저항기
CB : 차단기
SGR : 선택접지계전기
Rg : 지락점의 지락저항
C1 : 피더1 선로 정전용량
C2 : 피더2 선로 정전용량
Ig : 지락전류
In : GPT에 흐르는 전류
Ic : 선로충전전류(Ic1 + Ic2)
Ic1 : 피더1의 선로 충전전류(Ic11 + Ic12)
Ic2 : 피더2의 선로 충전전류(Ic21 + Ic22)
Ic11 : 피더1 S상 충전전류
Ic12 : 피더1 T상 충전전류
Ic21 : 피더2 S상 충전전류
Ic22 : 피더2 T상 충전전류
Ir : 한류저항기 전류
Ix2 : SGR 전압코일 여자전류
2) 등가회로 및 회로해석
그림(Fig01) 회로를 1차로 환산한 등가회로는 그림(Fig02)와 같이된다.

< Fig02. 그림1의 회로를 1차로 환산한 등가회로 >
※ Eg : 지락점의 전위
Rg : 지락점의 지락저항
ZCT1, ZCT2 : 영상변류기
CLR : 한류저항기
C1 : 피더1 선로 정전용량
C2 : 피더2 선로 정전용량
Ig : 지락전류(IC1 +IC2 + In)
In : GPT에 흐르는 전류(IR + Ir1 + Ir2)
Ic1 : 피더1의 선로 충전전류
Ic2 : 피더2의 선로 충전전류
IR : 한류저항기 전류
Ix1 : GPT의 여자전류
Ix2 : SGR 전압코일 여자전류
○ 그림(Fig01)에서 피더1의 충전전류Ic1은 ZCT1를 정방향, 역방향으로 관통하기 때문에 ZCT1이 감지하는 충전전류Ic1은 상쇄되어 0(A)가 된다. 때문에 그림(Fig02)의 등가회로와 같이 ZCT1 위치는 지락이된 피더1의 충전전류Ic1를 감지하지 못한 위치에 있게된다.
○ 따라서 ZCT1이 감지할 수 있는 전류는 피더2의 충전전류Ic2와 CLR에 흐르는 전류만 감지하게 된다.
○ 그림(Fig02)에서 CLR이 미 설치되어 있고 피더2회로가 없다면(피더1회로만 구성되어 있다면) 지락시 그림(Fig03)과 같이 ZCT1이 감지할 수 있는 지락전류는 GPT의 여자전류Ix1과 GPT3차 부담전류인 SGR의 전압코일 여자전류Ix2만이 흐르게 된다. 이 여자전류는 ZCT1차측 정격인 200㎃에 비해 무시할 정도의 수㎃ 의 작은 전류이므로 ZCT1이 감지할 수 있는 충분한 전류가 되지 못한다.

< Fig03. CLR 미설치의 경우 지락시 전류흐름 >
※ Eg : 지락점의 전위
Rg : 지락점의 지락저항
ZCT1 : 영상변류기
C1 : 피더1 선로 정전용량
Ig : 지락전류(IC1 + In)
In : GPT에 흐르는 전류(Ir1 + Ir2) (수십㎃)
Ic1 : 피더1의 선로 충전전류
Ix1 : GPT의 여자전류(수십㎃)
Ix2 : SGR 전압코일 여자전류(수십㎃)
※ ZCT1에 관통하는 전류 = In(수십㎃ 이므로 감지 불가)
○ 반대로 GPT 3차측에 CLR이 부설되어 있다면 1선지락시 ZCT1를 관통하는전류는 그림(Fig04)와 같이 CLR에 흐르는전류 IR를 포함하여 GPT의 여자전류Ix1 및 GPT3차 부담전류Ix2(SGR의 전압코일 여자전류)인 In이 흐르게 된다.
이 In전류는 CRL에 흐르는 전류IR가 포함되어 있어 ZCT1 1차측 정격전류200㎃보다 큰 전류가 되기 때문에 ZCT1이 충분히 감지할 수 있는 전류가 되는 것이다.

< Fig04. CLR 설치의 경우 지락시 전류흐름 >
※ Eg : 지락점의 전위
Rg : 지락점의 지락저항
ZCT1 : 영상변류기
C1 : 피더1 선로 정전용량
Ig : 지락전류(IC1 + In)
In : GPT에 흐르는 전류(Ir1 + Ir2) (수십㎃)
Ic1 : 피더1의 선로 충전전류
IR : 한류저항기 전류
Ix1 : GPT의 여자전류(수십㎃)
Ix2 : SGR 전압코일 여자전류(수십㎃)
※ ZCT1를 관통하는 전류 = In ( In 〉200㎃)
○ CLR이 미 설치되어 있고 피더1, 피더2회로가 있는 경우
피더1회로에 지락이 생겼을 경우 피더2 충전저류Ic2의 크기에 따라 피더1회로에 부설된 지락방향계전기(SGR)는 동작이 가능 또는 불가능하게 하는 것이다.
○ 또한 ZCT2에 관통하는 전류Ic2는 ZCT2의 극성에 역방향으로 흐르므로 피더2회로의 지락방향계전기(SGR)는 동작하지 안는다.

< Fig05. CLR 미설치 및 피더2가 존재할 경우 지락시 전류흐름 >
※ ZCT1에 흐르는 전류 = In + Ic2 ZCT2에 흐르는 전류 = - Ic2
결론적으로 GPT 3차측에 CLR를 부설하므로서 계전기(SGR)를 구동할 수 있는 지락전류(유효전류)가 흘리게 되는 것이다.
만약 그림(Fig06)과 같이 피더1회로에서 지락이 발생하고 ZCT2가 오결선으로 결선방향이 K단자와 L단자가 바꾸어져 반대로 결선이 되어 있다면 Ic2의 크기가 SGR 구동전류 이상으로 충분할 경우 피더1 SGR 및 피더2 SGR이 동시에 동작하게 된다.
즉 피더1 지락방향계전기(SGR)는 정상동작인 반면 피더2 지락방향계전기(SGR)는 오동작이 되는 것이다.

< Fig06. CLR 미설치 및 피더2가 존재하면서 ZCT2가 오결선된 경우 >
| 한류저항기(CLR)의 저항(Ω) 및 용량(W) 결정방법 (0) | 2024.07.26 |
|---|---|
| GPT의 한류저항기(CLR) 사용역할 ② - GPT 3차 오픈△단자측 제3고조파 발생을 방지하는 역할 (1) | 2024.07.25 |
| 계기용 변류기(Current Transformer)의 선정방법 (1) | 2024.07.23 |
| 계기용변류기(Current Transformer ; CT)의 기본원리 및 종류 (0) | 2024.07.22 |
| PTT와 CTT의 사용방법 (0) | 2024.07.17 |