
1. 계기용변류기(CT)의 기본원리

1) 변류비
- 1 차 전류에 대한 2차 전류 크기의 비율
- 변류비가 정확하지 않은 이유 : 여자전류 & 누설리액턴스

2) 비오차
- 공칭변류비와 측정변류비 사이의 백분율 오차


2. 계기용변류기(CT)의 종류
1) 권선형태의 따른 분류
|
관통형 CT
|
붓싱형 CT
|
|
환상철심에 2차 권선이 균일하게 감기고 철심중심부를 1차권수도체가 관통
|
관통형CT의 일종으로 철심의 내경과 단면적이 커서 자속밀도가 낮아 포화특성이 좋아 대전류 영역에 적당
|
2) 검출용도에 따른 분류
|
정상CT
|
영상CT
|
보조CT
|
|
정상분을 얻기위한 CT로 3상전류를 얻기위해 3대의 CT가 필요
|
1차권선이 3상일괄로 통과되고 그 주위에 환상철심을 두고 2차권선을 감아 영상전류 검출
|
오차보상.소폭의 전류조정을 위해 사용
|
3) 특성에 따른 분류
|
계측기용CT
|
계전기용CT
|
C형 CT
|
T형 CT
|
|
-평시부하에서 계측용으로 사용
-사고시 계측기및 회로 보호 |
상당한 대전류 영역에서도 포화되지 않아야 함
|
철심의 누설자속이 규정치 이내이고 권선이 균일
|
철심의 누설자속이 커서 변류비에 영향을 줄 수 있음(권선형CT일부)
|
3. 계기용변류기(CT)의 특성
1) 가극성 & 감극성
- 1차전류의 방향에 대하여 2차전류의 방향을 나타내는 특성
- 일반적으로 감극성이 표준

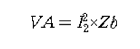
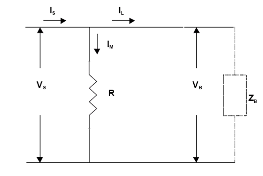
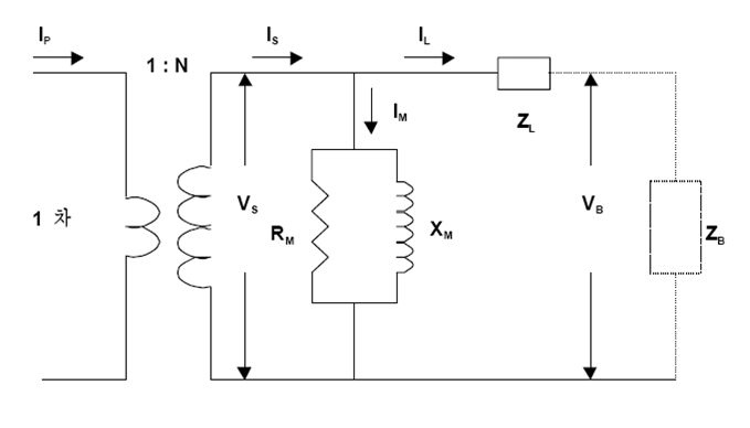
2) 2차 부담
- CT 2차 회로에 접속되는 부하
- 정격은 [VA]로 표시
- CT 2차 부하가 증가하면 오차발생
- 오차는 동일한 부하라면 2차전류가 클수록 동일한 전류라면 2차부하가 클수록 커진다.
- 정격부담 : 오차범위를 유지하는 부하 임피던스


3) 과전류강도
- CT에 정격주파수, 정격부담상태로 열적,기계적 손상없이 1초간 인가 할 수 있는 최고 1차 전류를 정격1차전류로 나눈값
- 40, 75, 150, 300 등이 있음
4) 과전류정수 n
- CT 2차측에 정격부담 접속 후 1차측에 정격주파수의 과전류 인가시 비오차가 -10%가 될 때 1차전류와 정격1차전류의 비

5) 오차계급(Acuracy class)
- 변류비오차 또는 위상각오차등에 대하여 계급별로 허용범위를 정한것

6) 과전류정수와 2차부담
-과전류정수와 2차부담과의 곱은 거의 일정
n X 2차부담 [VA] ≒ constant

2차부담이 작아지면 여자전류로 인한 오차는 줄어들게 되고 -10%의 오차가 발생되는 1차전류가 더 커지게 된다. 이는 과전류 정수가 더 커지게 됨을 의미한다.
2차부담과 과전류정수는 반비례관계가 있으므로 CT코일이나 철심을 변화시킬수 없을때에는 이 둘중 하나를 변화시켜 CT특성을 변화 시킬 수 있다.
7) 포화특성
- CT는 1차전류가 증가하면 2차전류도 변류비에 따라 증가
- 어느 한계에 다다르면 철심이 포화하여 2차전류가 증가하지 않음

8) Saturation Voltage(VX) 포화전압
-1차전류에 의해 포화되지 않는 전압
-정격부담전압
V = I X R X n
9) Knee Point voltage
- CT 1차측을 개방한후 2차단자에 정격주파수의 정현전압을 가할때 10%증가 전압에서 여자전류가 50%증가 되는 시점
- ANSI 45 (포화특성곡선 Tan45°)
- CT가 포화되면 계전기 부동작 가능성

4. 계기용변류기(CT)의 결선
1) 권선별 결선일반
- 1차권선: CT의 1차권선은 선로에 직렬로 결선
- 2차권선: 계측장치, 계전기의 전류코일을 극성에 따라 직렬로 결선
- 잔류회로는 항상 폐로되어야 함

2) Y(Star) 결선
- 기본결선으로 각상마다 CT를 설치 후 한쪽은 Common하고 다른 한측은 정상전류를 사용
- 일반적으로 보호하는 측을 Common
- 잔류회로를 만들어 영상전류 검출 가능
- 선간전류 = 상전류

3) △(Delta) 결선
- 선간전류가 상전류의 √3 배가 되고 위상차가 30도 발생하여 특별한 목적이외에 사용하지 않음[선간전류 = √3 상전류]
- 1상의 고장전류가 2개의 선전류에 영향
5. 계기용변류기(CT)의 개방
1) CT개방시 문제점
- 1차 전류가 모두 여자전류가 되어 CT의 철심은 포화 (1차 상쇄자속이 없어짐)
- 철심이 포화되면 여자전류가 급격히 커지고 2차 단자에는 고전압이 유기
2) CT 2차측 개방

| GPT의 한류저항기(CLR) 사용역할 ① - 지락시발생시 유효전류를 발생하는 역할 (1) | 2024.07.24 |
|---|---|
| 계기용 변류기(Current Transformer)의 선정방법 (1) | 2024.07.23 |
| PTT와 CTT의 사용방법 (0) | 2024.07.17 |
| 발전기의 기본공식(Generator equation) (0) | 2024.07.16 |
| 모터 파워퓨즈(Power Fuse) 용량 선정방법 (0) | 2024.07.15 |