
1. 스폿네트워크 수전방식의 개요
전력공급시스템은 전원측에서 수용가 부하공급지점까지 수많은 기기, 개폐기, 피뢰기, 전선케이블, 변압기등으로 구성되어 있어서 아무리 완벽한 품질의 기자재를 사용한다해도 시공결함, 기기수명열화, 케이블손상, 이물접촉등 외적요인에 의해서 고장이 발생할 수 있고 고장을 수리하기위해 필연적으로 정전이 발생할 수 밖에 없는 실정이다. 그러나, 고장이 발생하여도 수용가에 대해서는 정전이 발생되지 않고 계속적으로 전력공급이 가능하도록 하면 무정전 전력공급이 가능 할 것이다. 스폿네트워크시스템(Spot Network System)은 무정전 전력공급이 가능한 시스템이며, 일반적으로 2개 이상의 배전선로로 공급되는 소규모시스템이며, 2개 이상의 네트워크 모선이 1개이상의 수용가에 공급한다.
이 스폿네트워크시스템(Spot Network System)은 우리나라보다 전력사정이 우수하고 관련기술이 발달한 미국의 경우 1950년대부터 사용하기 시작하였으며, 가까운 일본의 경우만 하더라도 20여년 전부터 도심지 대규모 중요 건축물에 적극적으로 적용하고 있다.
2. 스폿네트워크의 구성
SNW수전설비는 수전용단로기(LDS), 네트워크변압기(NWTR), 프로텍터퓨즈, 프로텍터차단기 등을 수납하는 프로텍터반과 네트워크모선, TAKE OFF FUSE 반으로 구성된다.

< Fig01. 스폿네트워크 수전방식 >
동일전원변전소에서 2~4회선의 배전선으로 인입하게 된다. 수전용차단기는 설치하지 않고, 각 변압기 1차측에 여자전류를 개폐할 수 있는 수전용단로기만이 설치된다. 변압기 2차측에는 변압기마다 네트워크프로텍터가 설치되고 그 부하측은 하나의 네트워크모선으로 병렬로 접속되고, 그 모선으로부터 테이크오프장치를 통해서 각부하로 전력을 고급하는 간선이 인출된다.
1) 네트워크변압기
네트워크변압기는 3~4회선으로 수전중에 1회선의 전력공급이 정지되어도 다른 건전의 네트워크변압기에서 공급을 계속할 때, 과부하로 인해서 정지하지않고 용량의 130%에서 8시간의 과부하 내량이 있어야 한다.
2) 이론적인 네트워크프로텍터
네트워크프로텍터는 아래그림과 같이 프로텍터차단기(NWP)와 이것을 제어하는 계전장치 및 프로텍터퓨우즈(NWF)로 구성되어 있다.

< Fig02. 네트워크 프로텍터 >
※ 주계전기 : 쌍투접점인 3상전력방향
계전기
CT : 차전압 검출하기 위한
3권선변류기
RS : 차전압 검출 감도조정 저항
프로텍터차단기에는 보통 기중차단기가 사용되며 프로텍터계전장치의 지령에 의해 역전력차단, 무전압투입, 차전압투입등의 동작을 한다.
이와같은 동작에 의해 네트워크측의 부하에 대해 급전가능한 배전선 및 변압기는 모두 접속되고 거꾸로 네트워크측에서 전력이 유출하는 조건일 때는 트립핑된다. 프로텍터계전장치는 그림(Fig02)와 같이 프로텍터 차단기의 전원측 및 부하측의 계기용변압기(PT), 변류기(CT), 주계전기(67), 위상계전기(78) 및 전압계전기(84)로 구성되어 있다.
변류기는 차단기의 자동투입에 있어서 전원측과 네트워크측과의 차전압을 검출하기 위한 3차권선을 지니고 있으며, 또 사고전류로 계전기가 파손되지 않도록 정격전류의 4~5배로 포화하는 특성으로 되어 있다.
주계전기에는 쌍투접점을 같춘 3상전력방향계전기가 사용된다. 그 특성은 최대감도각이 기준전압에 대해 전류진행 3~5°로 되어 있다. 트립핑동작은 전원측으로 전력이 역류할 때에 하게 되고, 입력배전선의 단락사고시는 물론 전원상실시의 변압기 무부하여자전류에서 전원측케이블의 충전전류범위가 포함된다. 그 감도는 정격전압이 가해진 상태에서 최대감도각으로 정격전류의 0.1~3%이다.
투입동작은 전력이 전원측에서 네트워크측으로 흐르는 조건에서 행하여 진다. 차단기 개로시의 전원측과 네트워크측의 차전압에 비례한 전류를 변류기 3차권선에서 주입하고 전원측 전압이 네트워크측 전압보다 높을 때 투입동작하게 된다. 그 감도는 차전압회로에 삽입한 조정저항기로 정정하고 최대감도각에서 차전압 1V로 동작하도록 한다.
위상계전기는 프로텍터차단기의 펌핑을 방지하기 위해 사용된다. 차전압투입에 있어서 전원전압이 네트워크측 전압보다 높아도 Vd 처럼 그 위상이 지연돼 있을때는 투입후 Vd 에 의한 네트워크변압기 간의 순환이 계전기의 트립핑영역에 들어가 차단기가 투입 트립핑을 반복하는 소위 펌핑현상을 일으킬 염려가 있다. 이것을 막기 위해 전원전압이 네트워크측 전압보다 지상이라는 것을 위상계전기로 검출해서 투입조건에 가한다. 보통 위상계전기의 최대감도각의 조정 범위가 좁아지므로 순환회로의 임피던스가 특히 작을 경우, 즉 뱅크수가 많고 전원변전소가 가까운 경우가 아니면 채용하지 않는다. 보통의 수전설비에서는 최대감도각을 75°정도로 조정한다.
3. 이론적 네트워크 프로텍터의 동작특성
1) 역전력차단
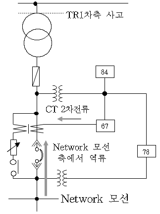
한전배전선, 수전변압기 1차측의 사고 또는 전원측의 정전등에 의해 전원측으로 전력이 유출할 때는 차단기를 트립시키고 Network 모선의 사고시는 트립핑은 하지 않는다.

< Fig03. 역전력 차단시 회로 >
○ 역전력차단 순서
Network 모선측에서 사고지점으로 전류역류 ⇒ CT 2차전류 주계전기 동작(67) ⇒ 주계전기에 의해 Protector CB 개방.
2) 무전압투입
Network 모선측이 무전압(정전상태) 이고 Protector TR 1차측 전압이 확립 되었을 때는 Protector CB를 자동투입 한다.

< Fig04. 무전압 투입회로 >
○ 무전압투입 순서
Protector TR측 전압확립⇒ 전압계전기동작 ⇒ 84a접점 ON ⇒ CT3차권선에 전류유입 ⇒ CT 2차 전류에 의해 계전기 동작(67)⇒차단기 투입
3) 차전압투입
Network측보다 전원측이 전압이 높고, 또한 그 위상이 앞서고 전원측에서 전력공급이 가능할 때 차단기 투입

< Fig.05 차전압 투입시 회로 >
○ 차전압투입 순서 : TR1차 모선측 및 Network 모선측 전압확립 ⇒ 전원측과 Network측의 차전압에 의한 전류가 CT3차 권선에 유입⇒CT 2차 전류의 크기 및 방향에 의해 주계전기 동작(V1〉V2) V2보다 V1위상이 앞선 경우 위상계전기 동작 주계전기와 위상계전기에 의해 차단기 투입
4. 상용화된 네트워크 프로텍터의 동작특성
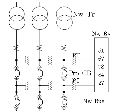
1) 상용화된 SNW 수전방식 구성
그림(Fig06)과 같이 계장장치 즉 네트워크 Ry가 일체화된 형식이다.
이 Ry에 의해 수전계통 및 변압기 사고에 대한 차단․투입등 일련의 동작 이 모두 자동으로 동작한다.

< Fig06. 상용화된 스폿네트워크 수전방식 구성 >
※ 51: 과전류 계전기
67: 역전력 계전기
78: 위상 계전기
84: 전압 계전기
27: 부족전압 계전기
2) 동작특성
Pro CB는 Nw Ry와 조합하여 다음과 같은 동작특성을 가진다.
① 역전력 차단특성
인입선로 또는 변압기 등 어느 1회선 사고로 공급변전소의 CB가 차단된 경우 건전 회선으로부터 Pro CB를 통하여 사고 지점으로 전력이 역류할 경우 이를 검출하여 고장회선 및 Nw Tr을 자동으로 분리(차단)한다.
② 차전압 투입특성
고장회선이 복구되고 급전변전소 CB가 투입되어 송전이 개시되면 Nw Tr 2차 전압과 Nw Bus의 전압과 위상을 비교하여 설정값 이상일 경우 자동으로 재폐로되어, 고장회선 변압기는 추가로 병렬 운전되며 부하에 전력을 공급한다.
③ 무전압 투입특성
만일 Nw Bus 전압이 무(無)전압일 경우 Pro CB는 자동으로 투입동작을 행하며 부하에 전력을 공급한다.
3) Network Protector Relay
① 역전력 검출(차단)기능
Nw Ry 역전력 검출기능은 다음의 사항들을 검출대상으로 하며 동작특성은 그림(Fig07)과 같다.
○ 1차 Feeder 지락 및 단락고장전류 검출
○ Feeder 급전 정지시 변압기 여자전류와 Feeder 충전전류
○ To CB 이하의 부하에 의한 역전류

< Fig07. Network Protector Relay의 동작특성 >
Īe : Nw Tr 역여자전류
Īc : Feerder 충전전류
Īo : 감지(동작)전류
Īo = Īe + Īc
동작감도 조정범위 : 정격전류의 0.05 ~ 0.5(1)%
② 차전압, 무전압 검출(투입)기능
Nw Ry는 Nw Tr 2차전압과 Nw Bus의 전압과 위상을 상시 감시하며 비교하고 설정과 동일한 조건이 되었을 경우 Pro CB를 투입하여 Nw Tr을 병렬 운전한다. 따라서 Nw Ry의 차전압(무전압) 검출기능은 다음의 두가지 사항으로 구분되며 각각의 동작특성은 그림(Fig08), 그림(Fig09)와 같다.

< Fig08. 위상검출(Phasing Relay)기능 >

< Fig09. 전압검출(Master Relay)기능 >

< Fig10. 차전압․무전압 검출(투입) 동작 >
※ 기존 수전방식과 Network수전방식의 비교

| 자기 및 상호 인덕턴스와 정상 및 역상 인덕턴스와의 관계 (0) | 2024.04.17 |
|---|---|
| 유도 전동기(Induction motor)의 회전원리 (0) | 2024.04.16 |
| 연료전지(Fuel cell)의 기본원리 및 종류 (0) | 2024.04.12 |
| 차단기의 비대칭 단락전류(Asymmetrical short-circuit current) 설명 (0) | 2024.04.11 |
| 발전제동 및 회생제동의 원리 (0) | 2024.04.09 |