
1. 전자노이즈의 서론
모든기기에 있어서 전류가 급격히 변화하면 이에 따른 전자노이즈가 발생하게 되며, 재래식 조명기기의 경우에는 주로 기동시에 과도현상에 의한 전자노이즈 장해였으나 최근의 전자식기기는 반도체 스위칭소자를 사용하여 고주파를 이용하게 된다. 그러나 이러한 종류의 전원은 많은 장점을 가지지만 동작하는 동안 중대한 전자노이즈 발생원이 된다.
전자노이즈의 영향
2. 전자노이즈의 특성
형광등을 비롯한 모든 전기기기는 전자노이즈를 발생시킨다.
1) 백열등
점등전의 저항은 점등시 저항의 1/10 정도로 순간적인 돌입전류 흐름으로 전자노이즈 발생한다. 그러나 그 강도가 미약하고 순간적인 영향으로서 별도의 대책을 필요로하지 않는다.
2) 형광등
2-1) 글로우스타터를 사용하는 경우
스타터 접점이 on/off 시 발생하고, 스타터에 병렬 커패시터를 부착하여 순간적인 전압변화를 흡수하여 제거한다.
2-2) 전자식안정기의 경우
전도노이즈(30㎒이하)와 방사노이즈(30㎒초과)가 발생되며, 전도노이즈(조명기구는 사용주파수대역이 20~50㎑ 이므로 전도노이즈가 문제가 되는 경우가 많다)가 주성분이다. 대책은 필터회로를 사용하여 노이즈를 제거 또는 저감시킨다.
2-3) 전력변환장치 및 기타 전기기기
3. 전자노이즈의 대책
1) 필터개론
노이즈가 기기나 시스템으로의 결합과 대책을 등가회로로 나타내면 그림1과 같이 된다. 즉, 결합 임피던스 Zm에 의하여 입력임피던스 Zi로 노이즈전압 E가 결합하는 경우, 그림(b)와 같이 결합임피던스 ZG로 인하여 E를 감소시키며 바이패스임피던스 Zb를 부가하여 E를 흡수하는 것이 노이즈 저감대책이 된다.

필터는 코먼모드 노이즈와 노멀모드 노이즈의 저감을 목적으로 그림 2에 표시한 바와 같이 전원선이나 신호선에 발생한 전도노이즈 저감을 위하여 사용되는 경우가 많도, 전원에너지나 신호를 통과시켜 이것보다 고주파영역의 노이즈를 감쇄시키는 로우패스필터가 사용된다, 기본회로를 그림2(b)(c)에 도시하였다. 여기서 그림1(b)의 결합임피던스 ZG의 역할은 인덕턴스 L, 저항 R 이 맡고, 바이패스 임피던스 Zb에 해당하는 것이 커패시턴스 C 이다. 그림 2(b)에서는 점 G를 접지 함으로써 코먼모드 노이즈를 저감시키나 그림(c)에서는 코먼모드 노이즈의 저감은 불가능하며 노멀모드 노이즈의 저감효과만을 기대할 수밖에 없다.

실제의 필터회로에서는 그림3에 표시한 바와 같이 상호인덕턴스 결합을 만들어 코먼모드 노이즈를 저감시키고 있다, L1, L2는 코일의 자기 인덕턴스, M은 상호인덕턴스이다, 지금 코일을 같은 횟소로 양자가 완전하도록 감으면 L1 = L2 = M 이 된다. 신호전류 Is에 대해서는 L1,L2의 리액턴스 M에 의하여 상쇄되는 방향으로 작용하여 is에 대해서는 리액턴스가 "0" 이 된다.

한편 코먼모드 노이즈에 의한 전류 Ic에 대해서는 M의 작용이 역으로되기 때문에 높은 임피던스를 가한 것과 같은 결과가 되어 노이즈 성분만이 저감되게 된다, 여기서 커패시턴스 G1은 노멀모드 노이즈 저감용의 바이패스임피던스, 커패시턴스 G2는 단자 G를 통한 바이패스 임피던스가 되어 이 필터회로는 이들 양쪽의 노이즈의 저감시킬 수 있게 된다. 이 정시성을 그림 4에 표시한다. 전원주파수 60㎐에서의 감쇄는 0이다.

정시성이란 필터를 무부하로 한 상태에서의 감쇄특성으로 실제로는 부하, 노이즈원(예를 들면 전원) 및 필터의 임피던스-주파수특성이나 단자 G의 접지장소(전원측에 접속 또는 장치측에 접속)등의 문제가 있어 정시성과 같은 감쇄효과를 얻을 수 있다고 장담할 수 없다.

그림5에 전원측, 부하측의 임피던스 Zs, ZL의 전원필터의 기본회로 중 어느것을 사용하는가 하는 관계를 표시하였다. 신호나 전원의 직류, 혹은 저주파의 전류를 포화시키지 않고 흘릴 수 있는 것이 기본조건이다.
2) 필터 사용상 주의 사항
2-1) 차단주파수와 감쇠량
전원이나 신호의 주파수나 노이즈의 주파수 등으로부터 차단주파수 감쇠량을 정해 회로형식이나 단수를 정할 필요가 있다. LC필터는 전원용, RC필터는 신호용으로 사용되는 경우가 많다.
2-2) 응답특성
필터를 사용하면 본래의 신호에 대해서도 응답특성이 변화한다.
특히 LC 필터의 경우

의 공진주파수를 가지며, 이점에 있어서는 필터를 통해 전송되는 신호는 필터가 없을 때보다 커지게 된다. fr이 필터에 접속된 회로의 통과대역보다 충분히 낮은 곳에 있다는 것을 확인할 필요가 있다.
2-3) 소자의 내압
필터는 노이즈 저감을 위해 첨가하는 것으로 신호전압보다 상당히 높은 전압이 가해지는 것으로 보고 설계할 필요가 있다. 경우에 따라서는 보호회로가 필요하다.
2-4) 인덕턴스 L로부터의 복사노이즈
L을 사용한 필터는 노이즈가 부하에 나타나는 대신에 L양단에 나타나므로 그 저감효과를 얻는 것으로 L로부터의 복사노이즈가 주위의 회로에 방해를 가할 경우가 있다. 텅상 필터회로는 케이스로 둘러싸여 쉴드되고 있다.
2-5) 누설전류
그림 3의 단자 G는 케이스 또는 접지점에 접속된다. 기기를 동작시킬 때마다 교류전류가 코먼머드 커패시터를 통하여 접지점으로 흐른다. 만약, 어떤 이유에 의하여 접지가 파손되면, 이 전류는 기기에 접촉하는 사람을 통하여 흐를 수 있다. 접지점으로 흐르는 전류는 최대 3.5㎃까지 허용된다. 그러나 여러개의 기기가 파손된 접지 시스템으로 연결될 수 있으므로 각 기기의 한도를 0.5㎃로 하는 것이 바람직하다.
2-6) 실장방법
AC회로 필터는 대역저지형 필터이고, 저역측의 특성은 거의 LC 정수로 결정되지만, 어느 정도까지 저지영역의 확장은 실장방법에 크게 의존하고 있다.
[표] 실장시의 주의사항


3) 필터기술
전자노이즈를 방지하는 대책기술에는 도체에 전파되는 전자노이즈방지와 공간을 전파하는 전자노이즈방지의 두가지가 있다. 두 경우 모두 필터가 대표적인 대책기술로 사용되고 있다.
필터는 인덕턴스와 커패시턴스의 조합으로 구성된다. 때로는 인덕턴스 자체도 필터라 부르기도 한다. 필터에는 전도노이즈용과 방사노이즈용이 있다. 전도노이즈용은 전원필터라고도 하며, 주로 30㎒ 이상의 높은 주파수로 사용된다고 생각해도 된다. 전자노이즈 방지에 이용하는 이러한 종류 필터의 특색은 거의 이론이 통용되지 않는다는 점이다. 전자노이즈원의 임피던스가 확실하지 않는 경우나 복수으 전자노이즈원이 있는 경우 너무나 복잡하기 때문에 해석이 불가능한 것이 사실이다. 그러나 모두가 시행착오를 거쳐 해결되는 것은 아니다.
전원필터에서는 경험적으로 3개의 주파수 대역으로 나누어 생각하면 간단한 경우가 많으나 절대적인 것은 아니다. 그림 6에 간단한 주파수의 분류를 나타냈다.

4) 코먼모드 초크코일
초크코일은 노이즈 대책상 가장 기본적인 부품의 하나이고 전자노이즈 대책에 사용되는 초크코일에는 코먼모드와 노멀모드 초크코일 2가지로 대별되지만 여기서는 코먼모드 초크코일의 인덕턴스의 개략치를 계산하는 예를 기술한다.
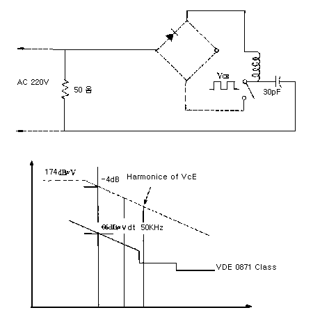
[예] 스위칭전원에 사용되는 필요한 인덕턴스의 계산법

· VCE의 파고치 : √2 ×220 =310V
트랜지스터의 오버슈트를 고려하면 500V

· 50㎑ 기본파의 레벨 ; 174-4 = 170dB㎶
· ZLISN 에 유기되는 전압은 노이즈전압이 ZLSN과 30㎊로 분압되므로 분압비는

단, 여기에서 1/ωC = 106㏀
· 따라서 50㎑에서의 노이즈레벨은 170-67 = 103dB㎶
· 50㎑에서의 필요한 감쇄량은 103-66 = 37dB
· 1차 Low Pass Filter(20dB/dec의 감쇄)의 차단주파수는

· 이 주파수에서 50Ω이 되는 인덕턴스는

5) 노이즈의 검토순서와 고려사항
· 대상 노이즈의 본질(유래)를 잘 조사한다.
· 노이즈의 성질은 천차만별이고 각각에 맞는 대책을 강구해야 한다. 따라서 대책은 우선 노이즈를 조사하는 것부터 시작하여야 한다.
· 대책의 방향을 설정한다.
- 노이즈 그 자체가 단순하지 않기 때문에 그 대책도 확실하게 등식으로 묶을 수 있는 공식은 없고 어느 정도 시행착오식이 되지 않을 수 없다, 재질이나 형상을 수정하여 저감시키는 방법이 문제가 된다,
- 어느부위(기판위인가? 인터페이스부분인가)에서 대책할 것인가가 정해지면 치수상의 제약조건도 나온다, 여기에 전항(b)의 정보를 더하면 필요한 코아를 설계할 수도 있고, 방법(통과만시킬 것인가, 감을 것인가)의 방향설정도 가능해진다.
· 코아제조메이커의 카탈로그에서 검토용 아이템을 선정하여 조달한다.
· 실험 검토와 효과확인
· 사용아이템의 결정과 대책실시
| IC카드시스템의 특징 및 종류 (0) | 2022.12.08 |
|---|---|
| 노이즈(Noise) 차폐의 정의 / 노이즈 차폐쉴드의 종류 및 대책 (0) | 2022.10.14 |
| 노이즈(Noise)의 발생, 성분, 장해현상, 노이즈대책 등 (0) | 2022.10.12 |
| UTP - RJ45 결선도 / PoE 표준 802.3af 케이블별 핀 배열도 (0) | 2022.09.08 |
| 국선단자함 / 중간단자함 / 가입자보호기 의 구성 및 기능 (0) | 2022.07.07 |