
1. 조도설계 (Illumination Plan)
1) 조도설계순서
조명설계는, 각각 손님의 조명에 관한 요구, 조건등을 설계자가 경험과자료, 창조력에 의해 구체화시키지만, 이것을 원활히 하기위해서는, 손님과 설계자와의 충분한 의사가 전달되야 합니다. 옥내조명설계 요점을 정리해 보면 다음과 같습니다. 그러나 이것은 다소의 변경으로 옥내외의광장 도로투광조명 등에도 용이하게 사용할수 있습니다.
2) 조건
조명설계는 다음 조건을 붙여의뢰 해주세요. 이들중 부족된점이 있으면 조건검토를 충분히 하지못하고 맞추는식의 번거로운 시간의 소비로 결국 손님에게 불편을 주는일이 있습니다.
설계자에게 맡겨진 항목에 대해서는 처음부터 그 요지를 알려주시고 또 도면을 첨부해 의뢰해주시기바랍니다.
① 실내용도 : 영업실, 설계실 등
② 넓이 : 방의형상, 방의앞에서 안까지 칫수
③ 높이 : 친정높이 , ,조명기구를 붙일곳의 높이, 작업면의 높이 등이 매달릴 길이
④ 구조 : 건축구조, 친정의 형태, 창의 위치와 크기, 기기등 배치
⑤ 색 : 천정벽, 마루등 색(반사율)
⑥ 조명대상 : 작업내용
⑦ 조도 : 어느정도 밝기를 원하는가
⑧ 조명의 질 : 글레이, 조도의 고름, 연색성 등의 요구
⑨ 광원 : 형광등, 백열전구, 수은등, 메탈등, 나트륨등 등
⑩ 방식 : 직접, 간접, 매입, 매달림, 벽부착 등
⑪ 예산 : 사용전력한도 등
3) 요구
예를 들면 , .다음 사항과 같이의뢰내용을정리해서의뢰해주세요
① 기종선정
② 등수 산출
③ 배치
④ 조도분포
⑤ 기 설계검토등
4) 조건검토
조건과 의뢰내용을 설계자가 과거의자료 경험에 맞춰, 혹은 간략한 계산을 해서, 설계가 가능한지를 검토합니다. 조건에 무리가있는경우, 그 내용을 고객에게 설명해서 조건을 변경하게 하도록합니다.
5) 설계방침
조건이 가능한 상태에서 다음에 맞춰 설계방침을 세웁니다.
① 의뢰받은 조건항목? 적용사항 결정(조도등은 KSA3011-80 참조)
② 광원의 종류와 와트, 광색등을 결정
③ 조명기구 및 부착방법 결정
④ 설계서의 내용을 어떻게 할까, 또 어느 방법으로 처리할까.
6) 조명설계
① 광속법(평균조도)에 의한 설계
부여받은 조건 및 설정조건에 기초한 등수산출에서 배치까지를 후술하는 방법으로 행합니다. 다된 것을 조건에 조합하여 맞지않는것이 있으면 설계방침을 재검토 합니다 .
② 조도분포에 의한 설계
a. 후술하는 축점법에 의해 각점의 조도를 구하여 한등의 조명분포를 만듭니다. 광도가 광원직하방향을 중심으로 같은 중심 같은 원모양으로 똑같은 대칭배광의 광원에서는 피조면상의 광원직하를 통하는 일직선에 대한 조도를 구하기에는 좋지만, 그렇지 않은 비대칭배광에서는 그것을 피조면 전체에 대해 구해야 하므로 작업이 복잡합니다. 일반적으로 투광기술은 이런 비대칭배광에 속하는것입니다.
b. 넓이와 소요조도로부터 등수를 결정하는데 광속법을 응용하는것도 편의적방법
c. 조명대상과 방의용도, 구조등에 따라 그 등수의 배치를 고려합니다.
d. 이배치에 따라, 한등의 조도분포에서 조도를 정산해갑니다.
e. 다한 조도분포도를 조건에 맞추어, 맞지않을경우는 배치수정을 검토하고 그래도 맞지 않으면 등수 변경, 설계방침을 재검토를해야합니다.
f. 이것을 통과한 것에 광속법을 적용해서, 비교수정을 가하는것도 있습니다.
7) 설계서 작성
이같이해서 끝낸 자료는, 손님 요구에 맞춰서 식으로정리해 제출합니다. 이와, 광원의 배광, 조명기구배광, 광학적특성등도 희망에 맞춰 제출합니다.
2. 조명계산 (Illumination Calculation)
1) 광속법에의한 조명계산
설비를 한번에 조명하는 방법이 진면조명, 이 경우 조도를 계산방법으로서 일반적으로 「광속법」이 이용됩니다. 광속법은 방의천정면에 균등배치된 광원보다는 나오는 광속이 작업면위에균일하게분포되면 소요되는 수평면 평균조도에 대한 광원수를 구하는것으로 조명기구배광, 방의형상, 천정벽, 마루의 반사율 및 광원의 동정곡선, 조명기 구, .실내먼 지 등을 고려 해계산을합니 다 소요되 는수평면조도는조명의목적에
따라 다르지 만, .조도기준에기초해설계를해주세요
2) 계산법
① 실내지수(Kr)
실내형상, 크기, 광원, 위치에 따라 결정되는 계수

② 실내반사율
실내천정, 벽의반사율은 다음 표에 의해 결정합니다. 특히 주의해야 할것은 창이있는 벽면의 반사율 결정입니다. 창은 그 상태 (투명, 반투명)에 따라 반사율이 크게변모합니다. 따라서 벽면전체의 반사율로서는 창의상태 및 점유면적을 고려해서 평균치로서 구하는것이 필요합니다.
③ 조명율(U)
조명율은 광원의 전광축과 작업면에 오는 유효광촉의 비율로, 실내지수 및 실내반사율, 기구배광, 효율로부터 구해집니다. 따라서 조명율이라는것은 조명시설 전체로서의 종합적인 조명효율이라 할수있습니다. 표준기구에서는 독자적인 조명율 측정치가 있으니 계산해주세요.
④ 보수율
설치후 실내기구등의 오물로인해 램프의광촉이 저하되어 평균조도는 떨어지지만, 소요평균조도를 유지하기 위해 계산해서 이 조도저하에 맞는 계수에 맞게 해두면 설계조도를 하회할일이 없습니다. 이 계수는 보수율로서 기구구조와 실내먼지 상태에 따라 값이 달라지며, 조명율표와 함께 기입되어 있습니다. 보수율은 광원의 보수, 청소상태가 좋은 실내에서는 양호하고 또 공장등 먼지가 많고 청소가 곤란한곳은 좋지 않습니다.
- 보수율 - 수은램프 … 0.55~0.7
- 백열램프 … 0.7~0.75
- 형광램프 … 0.5~0.75
- 실지수산출도표
X : 내림
Y : 찬역깊이
H : 광우너부터작업면까지의높이


⑤ 소요램프수(N)
조명율이 결정되면 다음식에서 램프수를 결정할수 있습니다.
(A : 실내면적(㎡ ), E : 소요평균조도(lx), M : 보수율, U : 조명율, F : 사용램프 전체광속(lm))

N을 가정해서 E를 구하는것도 가능.

⑥ 기구배치
램프수가 구해지면 기구수도 결정되기 때문에 기구를 배치합니다. 그 장소에 조도가 고르지 못한것을 적게 하기위해 기구간격을 다음과같이 합니다. 광원상호간 간격 S일때 배1.5
◇ 실내면반사율계수

3) 점광원에 의한 조명계산
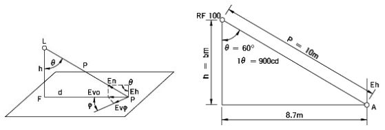
한 점의 점광원에 의한 면위의 어느점의 조도E는 그 광원의 방향의광도를 I, 광원에서 그 점까지의 거리를 P, 입사각을 θ로 하면 E = I / P2 × c o s 반사형 백열 램프 100w를 5m의 높이에서 그림과 같이 수평보다 30도 밑을 향해 조명을 투사했을때, 빔 중심을 램프바로 밑보다 전방, 각 8.7m점을 비추게 됩니다.(A )점 예를들면 이점의 수평조도(Eh)는 다음과 같이해서 구합니다. 반사형 백열램프의 빔 중심광도(Iθ) : 900cd광원에서 부터의 거리 (P) : 10m입사각 θ θ(cos60˚) : 0.5 이들 조건을 하기공식가운데 Eh=I/P2×cos 에 적용하면

따라서 A점의 수평면 조도는 4.5(lx)가 됩니다.

4) 각종 조도 계산예
· En : 변선조도
· Eh : 수평면조도
· Evo: 연적면조도

| 빛과 조명의 특성 (0) | 2024.06.25 |
|---|---|
| 광원의 선택법 (Method Of Light Selection) (0) | 2024.06.24 |
| 조도기준(Illumination Criteria ; KSA 3011 : 1998) (4) | 2024.06.20 |
| 조명용어 (Lighting Terms)의 정리 (0) | 2024.06.19 |
| IEC 분류에 따른 접지계통 분류(TT / TN / IT계통) (1) | 2024.06.14 |