
1.변압기 고장의 종류
- 권선의 단락 및 층간단락
- 권선과 철심과의 절연파괴 또는 접지
- 고압, 저압 권선간의 혼촉
- 단선
- 붓싱파괴 또는 리드선의 절연파괴
상기의 고장의 종류중 가장 많이 발생하는 것이 권선의 층간단락 및 접지사고이다.
2. 변압기 보호계전방식
변압기 권선의 결선방식은 특히 차동보호방식에 큰 영향을 준다. 결선방식에 따라 1,2차 전류의 위상각차가 발생하게 되므로 적용전 특히 변압기 결선 및 CT결선에 의한 보호계전기에 유입되는 전류의 위상각 편차에 대해 유의해야 한다.
1) 과전류 보호방식
각상에 과전류 계전기를 설치하는 방식이다. 이것은 과부하 보호와 외부사고시의 후비보호도 겸하게 된다. 과전류계전기의 한시요소는 변압기 정격부하전류의 160% 정도에서 동작하도록 정정하고 순시요소는 변압기 2차측 모선 3상단락 전류의 150~200%정도로 정정한다. 접지계통(저항접지, 직접접지등)에 연결된 변압기의 지락보호는 과전류 지락계전기로 한다.
감도와 동작속도면에서 차동보호방식에 비해 뒤진다.

< 표01. ANSI / IEEE Transformer Overcurrent Capability Standards >

< Fig01. For Category I Frequent or Infrequent faults and for Infrequent faults with Category II and III >

< Fig02. For Frequent Faults with Category II Transformer >

< Fig03. For Frequent Faults Category IIIand Freq. Or Infreq. Category IV >

I : Symmetrical Short-Circuit Current in times normal base current (ANSI/IEEE C57.12-1980) K: Constant determined at maximum I with t= 2seconds
< 표02. ANSI / IEEE Transformer Overload Through Fault Standard Category >

그림(Fig01,02,03)의 Curve를 Log Sheet를 통해 구현한 다음 OCR의 Tap, T.D설정시 이 TR through Fault Withstanding Characteristic Curve보다 아래에서 계전기가 동작할 수 있도록 Setting해야 한다.
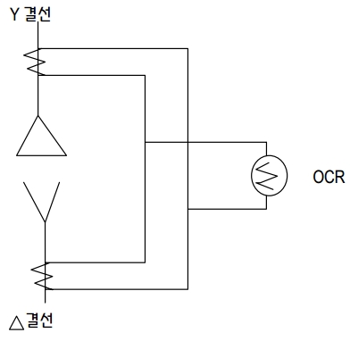
2) 차동보호방식
10MVA이상의 뱅크용량을 가진 변압기에 차동계전기를 적용한다. 변압기는 1차, 2차 전압이 다르므로 전류의 크기도 다르기 때문에 같은 규격의 변류기를 쓸 수 없어서 CT의 특성이 일치하지 않다는 점, 변압기에는 탭절환기가 있는점, 변압기 결선에 의해 1,2차간 위상차가 있는점, 돌입전류(Inrush Current)가 있다는 점등에서 발전기에서와 같이 감도가 좋은 차동보호는 어렵다.
① 차동전류계전방식

변압기 양측의 CT 2차를 연결하고 그 차동회로에 과전류계전기를 연결하여 보호한다. 과전류계전기는 반한시특성의 한시과전류 요소와 순시과전류 요소로 된다. 외부사고시에 양측 CT 특성차 때문에 차동전류가 생길수 있어서 오동작할 가능성이 있다. 그 때문에 감도를 예민하게 하기어렵고 고속도 동작이 않되는 결점이 있다.
② 비율차동계전기
계산예)

상기의 그림과 같이 비율차동계전방식을 적용할 경우
- 변압기 1,2차 결선의 방식에 따른 위상각 보상 및 전후단 CT비의 오차를 보상해야 한다. CT 및 Interposing CT결선의 확인을 통해 계전기측 인입전류의 위상각과 크기가 일치하는지를 확인한다.
- Interposing CT Ratio 결정 : Ip / Is = 3.88 / 3.59 = 1.08(8%만큼 2차측 전류의 크기를 보상)
- Operating & Bias Level을 결정한다.(CT오차, 변압기 Tap Charger Ratio를 감안한 적정 Tap 선정이 필요)
3. 여자돌입전류
CT비에 따른 전류 크기차 및 위상각 보상에 대한 사항외 변압기 여자전류이다. 변압기의 여자전류는 아주 적어서 문제되지 않으나 변압기를 무부하 투입할때나, 급격한 전압상승이 있는 경우에는 과도적인돌입전류가 흐르는데, 그 값이 크고 감쇄시간도 비교적 길기때문에 보호계전기가 오동작하는 경우가 많다.
따라서 변압기 보호에서는 이 돌입전류에 의한 오동작 방지가 필요하다. 무부하변압기에 E인 전압을 인가할 때에, 정상시에는 90˚ 지상인 Φs 곡선과 같은 자속이 생기는데 E에 대한 유기전압을 발생시키기 위해서는 영에서 시작하여 Φ'처럼 변화한다. 따라서 그 최대치는 인가시의 위상각θ에 따라 Φ' = Φm + φmcosθ
Φm : E에 대한 최대자속, 잔류자속ΦR 라면 그 방향에 따라 가감이 되어 Φ = ±ΦR + Φm(1+cosθ) + 방향의 φR에 대해서 철심은 심하게 포화되어 여자돌입 전류 i는 증가한다. 돌입전류는 그 파고치가 전압위상 0˚ 또는 180˚에서 투입되었을 때 최대로 되며 이때의 철심자속은 정격자속의 2배로 되고 여기에 잔류자속이 벡터적으로 합해진다. 철심이 포화하면 전원에서 유입되는 전류는 아주 크게 된다.

< 표03. 변압기 용량별 돌입전류 파고치 비교 >

< 표04. 돌입전류 감쇄시간 비교 >
상기의 표04는 대표적인 돌입전류치의 평균을 나타낸다. 이 돌입전류는 회로의 저항분, 와전류, 히스테리시스등의 손실에 의해 시간이 지남에 따라 점점 감쇄한다. 돌입전류의 파형분석을 보면 기본파형을 100%로 할때 직류분이 50~60%전후, 제2고조파분이 30~50%, 제3고조파는 제2고조파의 1/2정도, 제4고조파 이상은 적다고 보면 된다.
4. 여자돌입전류에 의한 보호계전기 오동작 방지 대책
1) 유도원판형 계전기
① 차단기의 보조접점(52a) 또는 전압계전기와 한시계전기를 조합하여 투입후 일정시간 트립회로를 Lock시키는 방법, 실제 고장변압기에 전압을 인가할 경우 동작지연으로 손상이 커질수 있다.
② 차동계전기의 동작코일과 병열로 분류저항을 넣어 변압기 가압후 일정시간동안 계전기의 감도를 둔화시켜 오동작을 방지하는 것이다.
2) 고속도 비율차동계전기
여자돌입전류 중에는 고장전류중에는 없는 제2고조파분이 기본파의 30%정도이상 포함되어 있는 점을 이용하여 돌입전류가 흐를 때에는 차동계전기를 저감도로 하는 방식이다. 이 계전기는 통과전류에 의한 비율억제 외에 차동회로에 흐르는 전류의 제2고조파분에 의한 억제를 가미한다. 계전기의 동작코일에는 차동회로에 흐르는 기본파분 전류만이 흐르게 한다.
5. 기계적 보호장치
1) Pressure relief device
변압기 내부압력이 작거나 큰 경우를 제어하는 장치임
내부압력이(10lbs/in2), ±1lb/in2 guage)를 넘어설 때 Device snap이 열려 과다한 Gas나 액체를 방출하게 된다. 동작과 함께 핀, Alarm contact(option), semaphore signal(option) 등이 PRD동작을 알린다. 이 Device는 일반적으로 자동으로 재 setting되며 Self-sealing되어 유지보수나 조정등이 거의 필요없음.
방열판이 있을 경우 내부압력이 0.7 - 0.85Kg/㎠이상이 될 경우 방열판이 파괴되도록 설계되어진다.
2)부흐홀쯔 Relay
변압기 사고는 탱크내 절연유의 과열 및 산화(분해)에 기인한다. 절연유의 분해는 Hydrogen, Carbon monoxide, Light hydrocarbon등의 Gas를 생성시키며 Minor fault가 빠르게 진행되면 Severe arching fault를 유발시킨다.

< Fig04. Buchholz Relay >
그림에서처럼 Relay는 Conservator로 연결되는 Pipe내부에 들어있다. Gas가 모이게되면 Oil level이 떨어져 Float가 내려오고 수은 Switch를 동작시켜 Alarm을 발생시킨다. Gas를 Sampling하여 화학적 분석을 실시해보면 사고의 유형을 판별해낼 수 있다. Winding Fault의 경우 Arc가 발생되어 Gas가 급속도로 방출되어 (High release rate) Vane을 움직여서 Breaker를 Trip시킨다.
* Alarm 발생 사고 유형
① Lower Power Level의 Interturn or winding fault
② Lamination insulation의 short로 인한 Core hot spot
③ Faulty joint
④ Core bolt insulation failure
* Trip되는 사고유형
① Severe earth
② Interphase winding fault
③ Oil leakage
3) Sudden pressure Relay
변압기 내부사고 보호용계전기에는 전기적인 방법에 의한 비율차동계전기가 있는 반면 기계적인 방법에 의한 충격압력계전기가 있으며 신속하고 확실한 동작특성 때문에 변압기 주 보호용으로 가장 많이 사용되고 있다.
구조는 주름통, 마이크로 스위치, 균압기, 트립단자 및 시험용 플러그로 구성되어 정상운전중으로 압력의 변화가 완만할때는 균압기를 통한 주름통의 외부압력과 변압기 본체와의 연결구를 통한 주름통의 외부압력과 변압기 본체와의 연결구를 통한 주름통의 내부압력이 같아지나 변압기 내부에 아크가 발생하여 압력이 급상승할때는 균압기에서 갑작스런 압력전달을 저지하기 때문에 주름통 내외부의 압력차가 생기게 되고 따라서 누름통이 펴지면서 마이크로 스위치를 작동시키게 된다. 이 계전기는 균압기에 의하여 반한시성 특성을 갖고 있어서 이 점이 부흐홀쯔 계전기에 비하여 다르며 신뢰성도 더 높다. Sudden pressure relay는 변압기 상부의 Gas실에 설치되는데 기름이나 먼지등이 유입하지 않도록 유의해야 한다.
| UPS System의 구성 및 종류 (0) | 2024.05.23 |
|---|---|
| 변압기(단상)의 병렬운전 구비조건 (0) | 2024.05.22 |
| 자동제어의 기본개념 - Lyapunov 안정도 해석 (0) | 2024.05.20 |
| 자동제어의 기본개념 - 상태공간에서 제어 시스템해석 (0) | 2024.05.17 |
| 자동제어의 기본개념 - 보상기 (0) | 2024.05.16 |