
1. 전압 제한형 SPD
1) 금속 산화물 배리스터(MOV)
MOV(Metal Oxide Varistors)는 산화아연(ZnO)을 주성분으로 한 금속 산화물로 구성된 것이 많고, 인가되는 전압에 의해 저항이 변화하는 전압-전류 특성을 갖고 있다. MOV의 전압-전류 특성 예를 그림 1에 나타냈다.

< Fig01. MOV의 전압-전류 특성 예 >
MOV의 전압-전류 특성은 그림 1에 나타낸 바와 같이 실선으로 나타낸 오른쪽으로 올라간 곡선을 그리고 있다. 일반적으로 MOV에 1mA의 전류를 통전시켰을 때의 전압을 배리스터 전압이라고 한다.
실선의 곡선은 MOV 선정 등을 고려하여 배리스터 전압을 경계로 비연속적인 점선으로 표시한다. 이것은 1mA 이상의 영역은 뇌서지를 제한 하는것을 고려해야 하므로 제한 전압의 최대치를 나타내고, 1mA 미만의 영역은 사용되는 회로 전압에 대해 누설 전류를 고려해야 하기 때문에 전압에 대한 누설 전류의 최대치를 나타낸다.
MOV는 GDT에 비해 정전 용량이 크고, 고조파 회선에 사용할 때는 큰 손실이 생기는 경우가 있기 때문에 신중하게 검토해야 한다. 또 열화등의 영향으로 누설 전류가 증가해 최악의 경우 소손되기도 한다. 이것을 방지하기 위해서는 분리하는 기구를 설치해야 한다.
2) 전자사태 항복 다이오드(ABD)
ABD(Avalanche Breakdown Diode)는 실리콘계 반도체의 PN 접합 애벌란시 브레이크 다운을 이용한 것으로, 특히 뇌서지 보호용으로 디바이스화된 것이다. 일반적으로는 제너 다이오드라는 호칭으로 알려져 있다.
ABD는 애벌란시 브레이크다운에 의한 빠른 응답 특성과 평탄한 클램프 특성을 갖고 있으며, 용량 전류치 이하의 반복 전류를 통전해도 열화가 매우 적다는 장점이 있다. ABD를 2개의 역방향으로 직렬 접속한 쌍방향 ABD 전압-전류 특성 예를 그림 2에 나타냈다.

< Fig02. 쌍방향 ABD의 전압-전류 특성 예 >
ABD는 통신·신호선 보호용이나 ESD(정전기 방전) 보호용 등으로 사용된다. 또한 클램프 전압은 수V에서 수백V 까지의 등급이 있다. ABD는 뇌서지에서의 억압 특성이 우수하기 때문에 통신·신호선으로 접속되는 취약한 전기·전자기기의 과전압 억압 소자로서 널리 사용된다. 단, 임펄스 전류 내량은 GDT나 MOV와 비교하여 작기 때문에 복합형 SPD의 후단 소자나 기구 내부의 뇌서지 보호용 소자로서 사용되는 경우가 많다.
2. SPD와 피보호 기기와의 보호 협조
전기·전자기기는 뇌서지에 대한 내전압을 갖고 있으며, 내전압 이상의 뇌서지가 인가되면 기기는 파손된다(그림 3 참조). 뇌보호 대책을 하는 경우, 피보호 기기에 인가되는 뇌서지를 내전압 이하로 할 필요가 있다.

< Fig03. 전기·전자기기의 내전압 파손 예 >
SPD가 뇌서지에 동작했을 때, 동작 개시 전압 및 동작 후의 동작중 전압이 피보호 기기의 내전압 이하가 되는 전기적 특성의 SPD를 사용하면 보호 협조가 도모되어 기기가 보호된다. 이들 관계를 그림 4에 나타냈다.

< Fig04. 전기·전자기기의 내전압과 SPD의 동작 파형 관계 >
또한 SPD의 요구조건은 다음과 같다.
① 보통은 절연상태에서 전송 신호나 회로 전압에 영향을 주지 않아야 한다.
② 동작 개시 전압, 동작 중의 전압이 피보호 기기와의 보호 협조가 도모되야 한다.
③ 예측되는 뇌전류를 안전하게 방류할 수 있어야 한다.
④ 뇌전류 통전 후는 신속하게 원 상태로 복귀, 반복해서 사용할 수 있어야 한다.
SPD를 설치해도 피보호 기기가 파손되는 경우도 있는데, 앞서 언급한 바와 같이 SPD와 피보호 기기와의 보호 협조가 도모되지 않는 경우가 많다.
3. 다양한 장소에서 사용되는 SPD군
그림 5와 같이 뇌보호 관련 JIS에서는 각 LPZ(뇌보호존)으로 구분해 LPZ0에서 LPZ1, LPZ1에서 LPZ2로 인입되는 전원선과 통신선 등의 메탈선에는 SPD를 설치하게 된다.

< Fig05. 각 LPZ에서 사용하는 SPD 설치 예 >
바깥선 쪽에서 뇌서지가 침입하여 SPD가 동작하면 뇌서지를 피보호 기기의 내전압 이하로 억제하고 접지에 뇌서지를 방류시켜 기기를 보호한다. SPD는 방류형 뇌보호 대책에 유효하다. 또 전기·전자기기를 절연하여 보호하는 내뢰 변압기는 절연형 뇌보호 대책으로 유효하다. 아래에서는 다양한 장소에서 사용되는 SPD와 내뢰 변압기에 대해 해설한다.
1) 전원용 SPD(저압용)
그림 5와 같은 LPZ의 경계에서 사용되는 전원용 SPD에는 클래스 I 시험 대응용(클래스 I 용) SPD, 클래스 II 시험 대응용(클래스 II용) SPD가 있으며, 클래스 I 용 SPD는 직격뢰 대응용, 클래스 II 용 SPD는 유도뢰 대응용이다.
① 클래스 I 용 SPD
클래스 I 용 SPD의 외관 예와 전기적 특성을 그림 6에 나타냈다.

< Fig06. 클래스 I 용 SPD의 외관 예와 전기적 특성 예 >
② 클래스 II 용 SPD
클래스 II 용 SPD의 외관 예와 전기적 특성을 그림 7에 나타냈다. SPD에는 열화 상황의 파악하기 위해 SPD가 갖고 있는 분리 기구에 의해 외부에 접점 정보를 송출할 수 있는 것이 있다. 단, 열화 상황의 트렌드를 파악할 수 없다는 단점이 있다. 최근에는 클래스 II 용 SPD 본체에서 서지카운터가 있어, 침입한 뇌전류를 계측하여 카운트 표시하거나 교환 권장 시기를 표시하기도 한다. 또 LAN에 의한 원격 감시가 가능한 옵션 기기도 있고, 떨어진 장소에 설치된 PC가 열화 상황의 트렌드를 확인할 수도 있다. 이 시스템에 의한 시각화로 유지보수의 효율성을 높일 수 있다.

< Fig07. 클래스 II 용 SPD의 외관 예와 전기적 특성 예 >
2) 통신용 SPD
통신기기의 내전압은 전원 기기의 내전압과 비교하여 일반적으로 낮다. 앞에서도 언급한 바와 같이 기기와 SPD의 보호 협조가 도모되지 않으면 통신기기를 보호할 수 없다. 따라서 SPD의 동작 전압을 낮게 억제하는 회로를 구성할 필요가 있다. 통신용 SPD중에서도 대표적인 것을 다음에 나타낸다.
① 선로~접지간, 선간 내전압이 낮은 기기에 이용하는 SPD
그림 8(a)와 같이 이회로는 선로~접지 간에 인가된 뇌서지를 ABD로 제한하고, 기기에 더해지는 전압을 ABD의 동작 중 전압으로 제한한다. 이때, 기기의 선 간에는 두쌍의 ABD의 차전압(수 V정도)밖에 더해지지 않는다.

< Fig08. 선간~접지간, 선 간의 내전압이 낮은 기기에 이용하는 SPD의 회로 예와 전기적 특성예 >
저항 R은 ABD의 전류 제한을 위해 사용한다. 저항에 의한 전압 강하와 ABD 동작 중의 전압의 한계가 GDT의 동작 전압 이상이 되면 GDT가 동작하고, GDT에 의한 뇌서지를 접지에 바이패스한다. SPD의 전기적 특성예를 그림 8(b)에 나타냈다.
② LAN용 SPD
최근에는 LAN케이블을 이용하여 다양한 데이터 전송이 이루어진다. LAN관련 기기간의 LAN케이블이 실외로 연장되거나 아래위층으로 연장되어 있는 경우 낙뢰의 영향으로 LAN케이블에 뇌서지가 침입하여 기기가 손상되는 경우가 있다.
LAN관련 기기를 보호하는 것으로서 그림 9와 같은 LAN용 SPD가 있다. LAN용 SPD의 회로는 그림 8(a)와 같이 기본 구성은 같지만 고주파에 대응할수 있다. 그림 9(a)와 같이 1000BASE-T, 100BASE-TX, 10BASE-T, IEEE802.3at(PoE Plus)로 대응 회선은 다양하다.

< Fig09. LAN용 SPD의 외관 예와 전기적 특성 예 >
3) 내뢰 변압기
절연형 뇌보호 대책인 내뢰 변압기는 무선 중계소 등의 중요시설에서 이용하고 있다. 내뢰 변압기도 SPD와 마찬가지로 국제 규격인 IEC 규격으로 받아들이는 움직임이 있다. 내뢰 변압기는 LIT(Lightning Isolation Transformer)라는 용어로 통일될 예정이다.
내뢰 트랜스는 1차 권선~2차 권선 간 및 1차 권선~접지 간 내전압을 임펄스 1.2/50㎲·30kV 등으로 높이고, 대접지 간에 더해지는 뇌서지를 절연하여 2차 측에 침입하는 것을 막아 선 간에 가해지는 상용주파수나 신호는 거의 손실없이 통전시킨다.
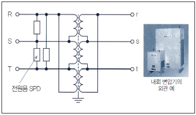
전원용에 대해서는 1차권선과 2차권선 간에 정전 차폐를 설치해 접지함으로써 서지 이행률을 1/1000이하로 낮춘다. 전원용 내뢰 변압기(삼상용)의 회로 예를 그림 10에 나타냈다.

< Fig10. 전원용 내전 변압기(삼상용)의 회로 예 >
다른 층에 설치된 통신 시스템 간, 또 다른 급전계에서 수전하는 통신 시스템 간에 사용하고, 메탈선에 발생하는 미주전류를 절연하여 장치의 오동작을 방지하는 동시에 낙뢰에 의해 발생하는 뇌서지를 절연함으로써 장치의 파괴를 방지하는 통신용 내뢰 변압기도 있다. 전력회사의 변전소용 통신설비나 철도 신호설비, NTT의 센터빌딩등에서 사용된다. 임펄스 내전압은 1.2/50㎲·30kV나 50kV이다. 그림 11은 NTT의 센터 빌딩 등에서 사용되는 통신용 내뢰변압기의 외관이다.

< Fig11. 통신용 내전 변압기의 외관 예 >
이상으로 SPD에 대한 내용을 간단히 설명했다. 각 소자의 특성, SPD와 피보호 기기와의 협조의 관계도 이해했을 것으로 생각된다.
SPD는 GDT나 MOV 단체로 사용하는 경우, 복수형 회로를 구성하여 사용하는 경우등 다양하지만 SPD의 상시급전과 신호에 영향이 없어야 하고, SPD의 동작 전압·동작 중의 전압을 피보호 기기의 내전압 이하로 하는(보호 협조를 도모한다) 것이 중요하다. 뇌보호 대책을 세울때는 이 점을 고려해야 한다.
| 전기 생산원리 및 전기생산 방식의 종류(Electric power generation) (0) | 2023.06.12 |
|---|---|
| 전기의 성질 및 속성(Nature of Electricity) (0) | 2023.06.09 |
| 서지방호 디바이스(SPD) 종류와 특성 - 전압스위칭형 SPD (0) | 2023.06.07 |
| 전기의 어원(Elektron) / 정전기의 발생 (0) | 2023.06.05 |
| 직류전동기(DC Motor) 속도제어방법 - Controlled Rectifier, Chopper (0) | 2023.06.01 |