1. 직류 (Direct Current : DC)
직류란 시간의 변화에 대하여 전류의 크기와 흐르는 방향이 일정한 전류를 말한다.
직류를 얻으려면 건전지가 가장 좋으나, 고전압이나 대전류가 되면 어렵게 된다. 1개의 전지에서는 전압은 아무리 크다 해도 1~ 2 [V]정도의 전압을 얻을 수 있으며, 흐를 수 있는 전류도 전지의 용적을 늘리면 커지지만, 용적을 늘리는 데는 한도가 있다. 따라서 대용량의 직류는 직류발전기를 이용하거나 교류를 정류(整流)하는 방법으로 만든다.
● 직류의 파형과 심볼

< Fig01. 직류전압의 파형과 심볼 >
2. 맥류 (Pulsating Current: PC)
맥류란 맥동전류라고도 하며 우리몸에 맥이 뛰며 혈관에 혈액이 통하는 것처럼 흐르는 전류이다. 즉 펌프에서 나오는 물은 흐르는 방향이 바꾸어 지지는 않아도 물의 양은 수시로 변화하듯 전류의 방향은 일정하나 전압은 수시로 변하는 전류로 마치 AC전류와 DC전류를 합한 것과 같은 파형의 전류이며 맥동전류를 Ripple이라고 한다.

< Fig02. 맥류(PC : Pulsating Current) 파형 >
3. 교류(Alternating Current : AC)
교류는 시간의 변화에 대하여 전류가 흐르는 방향과 크기가 계속 변화하는 전류를 말하며 교번전류 또는 교번전압이라고도 한다. 대표적인 교류는 사인파의 파형을 가지는 전류 및 전압이다.
그리고 1개의 파형이 끝나는 시간을 주기(단위초)라 하고, 주기의 역수동안의 파형의 수(1초동안의 파형)를 주파수 라하며, 파형이 최대가 되는 값을 최대값 또는 진폭 이라고 한다.교류란 기전력의 크기와 극성이 변화하는 전기를 말한다. 또 교류에는 시간에 따라 일정하게 변하면서 곡선적인 변화를 갖는 정현파와 이를 벗어난 왜파(의파, 일그러짐 파)라고 하는 교류가 있다.

< Fig03. 정현 교류전압의 파형과 심볼 >
1) 교류의 종류
1-1) 정현파
교류중 그 시간적인 변화가 정현의(Sine)값과 같이 크기와 방향이 변화하는 교류를 말한다.
1-2) 왜파(Distortion Wave : 왜파, 의파)
정현파가 아닌 모든 교류를 총칭한 것이다.

1-2-1) 대칭왜파
대칭적으로 찌그러진 교류를 말한다.

1-2-2) 비대칭왜파
비대칭적으로 찌그러진 교류를 말한다.

1-2-3) 구형파
그 변화가 정현파처럼 곡선적으로 변화하지 않고 일정하게 각지게 변하는 교류를 말한다.

1-2-4) 펄스파
그 변화가 구형파처럼 변화하나 주기가 일정하지 않은 교류를 말한다.

1-2-5) 톱니파
이는 그 변화가 톱날처럼 변화하는 교류를 말한다.

1-2-6) 삼각파
그 변화가 삼각형 형태로 변하는 교류를 말한다.

※ 대표적인 파형의 값 (최대전류 : Im)


※ 참 고
감전은 몸에 전류가 흘러서 발생하지만 전류의 근원은 전압입니다.
감전된다는 것은 몸의 한 부분과 다른 부분사이에 전압차가 발생하여 몸으로 전류가 흘러 느끼는 것이다. 전류는 흐르기 쉬운 곳(전기 저항이 작은 곳)으로 통과하려는 성질이 있다. 보통 땅과 다리 사이에는 저항이 크기 때문에 몸을 다치게 할 정도로 큰 전류가 흐르지 않지만 몸이 젖어있다면 인체의 전기저항이 작아져서 큰 전류가 흐를 수 있게 됩니다.
따라서 젖은 손으로 전기제품을 함부로 만지는 것은 절대로 금지해야 한다.

● 1 ㎃ 느낄 수 있다.
● 5 ㎃ 고통스럽다.
● 10 ㎃ 근육수축을 일으킨다.
● 15 ㎃ 근육이 마비된다.
● 20 ㎃ 근육의 수축 및 호흡이 곤란하다
● 50 ㎃ 화상을 입게 되며 심장에 영향을 준다.
이보다 큰 전류는 치명적이다.
4. 위상과 상전압
1) 단상교류의 위상
교류가 시간에 따라 변화를 하게 되면 일정한 주기를 그리게 되고, 그 값의 변화분에 각을 대입하여 해석한 것을 위상이라 한다. 즉 원의 각도(360˚)를 기준으로 한 주기를 360˚의 변화가 발생되었다고 해석하고 원래의 주파수보다 반주기 늦게 또는 빠르게 시작되는 교류를 180˚ 느리거나 빠르다라고 할 때 위상이 느리거나 빠르다 라고 한다.

< Fig04. 단상교류의 위상각 >
① 단상전원(3선식) : 부하가 큰 주택이나 빌딩 등의 전력으로 에어컨 등 4.5HP이하 제품에 사용한다.

< Fig05. 단상전원(3선식)의 결선도 >
② 3상 3선식 : 0.4KW이상 37KW이하의 전동기 및 대형 전동기를 구동할 때 사용한다.

< Fig06. 3상3선식의 결선도 >
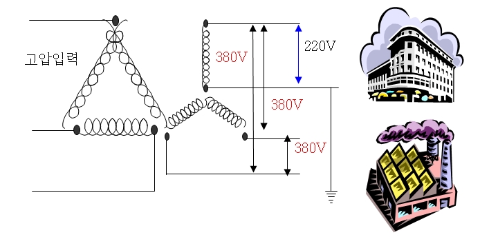
③ 3상 4선식 : 대규모 빌딩이나 공장등에 이용되는 전원으로 LG 에어컨의 경우 5HP이상의 제품은 3상 4선식 380V로 출하하 고있다.

< Fig07. 3상4선식의 결선도 >
| 저항 칼라코드(Resistor Color Code) 읽는법 / 옴의법칙(Ohm’s Law) / 저항의 접속법 (0) | 2023.01.13 |
|---|---|
| 전력(Watt)과 전력량(kWh)의 개념 / 전기의 공급방법 개념도 (2) | 2023.01.12 |
| 인덕턴스(Inductance) - 자체인덕턴스, 상호인덕턴스의 개념 (0) | 2023.01.10 |
| 키르히호프 전압 및 전류 법칙(Kirchhoff's Law) / 전자유도와 기전력의 크기 (2) | 2023.01.09 |
| 전압(Volt), 전류(Ampere), 저항(Ohm)의 개념 / 전압과 전위차 (0) | 2023.01.05 |