
1. 홈네트워크시스템의 정의
ㅇ 정의
- 가정내 기기를 유ㆍ무선 네트워크로 게이트웨이 또는 세대단말기와 접속하여 안전ㆍ방범기기,
가전기기, 디지털TV, 인터넷전화, 디지털컨텐츠, 로봇, RFID 등과 연계되어 다양한 서비스를
제공받을 수 있는 유비쿼터스 환경 주거건물의 인프라
- 정보통신망, 서비스, 단말기기, 건물인프라 등이 통합되는 시스템
ㅇ 적용지구 : 공공임대, 분양
ㅇ 용어설명
- 방화벽(Fire Wall)
홈네트워크 단지망에서 인터넷으로 연결될 때 보안 침입으로부터 회피하기 위한 기능
- H/N Back Bone S/W(L3 S/W)
각각의 동스위치를 연결하는 역할, 네트워크 주소할당 기능 담당
- Work Group S/W
백본 스위치로부터 광케이블을 인입 받아 각 세대단자함으로 UTP케이블을 통해 연결하는
스위치
ㅇ 용어설명
- 단지서버
홈네트워크 설비의 운영에 관련된 각종 데이터를 보관하고, 서비스를 제공하는 기능을 수행하며,
통합관리서버, DB서버, Web/Wap)서버, 부속기기(UPS, RACK, 모니터, KVM스위치)로 구성
- Gateway
외부 인터넷망과 세대내망을 연결하는 장치로 2개(인터넷통신+댁내통신) 이상의 통신망을
상호접속하여 통신망간 상호 정보를 주고 받을 수 있게 하는 역할을 담당하는 장치
- WallPad
세대 내의 홈네트워크 기능을 수행하는 디스플레이 장치
- RS-485(TIA/EIA-485-A)
다자간 양방향 직렬 통신규격의 한 방식
- RJ-45
FCC(미국 연방통신위원회)에 등록된 접속 인터페이스의 하나로 디지털 전송을 하기 위한
단일 회선 Jack이며 8개의 핀을 가지고 있다.
2. 지능형 홈네트워크시스템 개요도

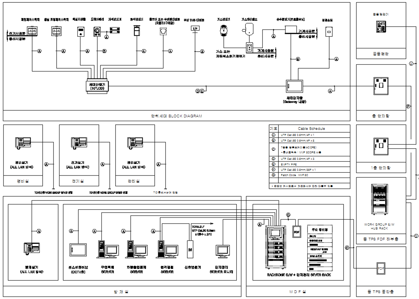
3. 홈네트워크시스템 계통도

4. 홈네트워크 배선기준

5. 단자함 규격산정
- 동단자함 : [(세대수×4P)X3(일반통신용, LAN용, H/N용) + 승강기대수×8P(비상통화:4P, 감시제어:4P) + 원격검침2P+공동현관기(경비실기) 대당 4P) × 2(IN,OUT)
- 층단자함 : 세대수×4P(일반통신용) + 세대수×4P(LAN용) + 세대수×4P(H/N용)
6. 홈네트워크시스템 RJ-45핀 할당번호
- 방범 제어기기

- 영상 음성기기

| 광케이블 측정법 - ①투과측정법/후방산란법(OTDR) (1) | 2021.05.12 |
|---|---|
| 정보통신 공사방법 - 비디오폰 및 인터폰설비 (0) | 2021.05.03 |
| 정보통신 공사방법 - 전관방송설비,방범설비 등 (0) | 2021.04.29 |
| 정보통신 공사방법 - 방송공동수신설비공사 (0) | 2021.04.28 |
| 정보통신 공사방법 - 구내통신설비 및 이동통신구내설비 (0) | 2021.04.27 |