
1. Converter (Rectifier/Charger)
Converter 는 3상 AC입력전원을 DC로 변환시키는 장치로서 , 6개의 SCR 또는 3개의 SCR 과 3개의 Diode 로 구성되어 있으며, 이는 ‘ Phase Controller’ , ‘ DC Regulator’ 등의 Control PCB에 의해 Control 된다. 그림(Fig01) 참조
DC 전압의 크기는 그림(Fig02) 와 같이 SCR 의 Gate Firing 각도로서 조정된다. 3상 AC 480V 가 동일하게 입력되어도 제작사에 따라 Converter 의 출력은 DC 135V, DC 230V, DC 405V, 그리고 DC540V 등 다를 수 있다.
이렇게 AC 로부터 변환된 DC 는 그림(Fig03) 과 같이 Ripple 을 많이 함 유하고 있으므로 이의 제거를 위해 DC Filter 가 설치된다.그림(Fig01) Converter 의 경우, SCR 및 입력전원단의 보호를 위해 3개의 Power Fuse가 설치되어 있으며, Cable의 오결선으로 인해 3 상 AC 입력전원의 상회전이 바뀐 경우에는 대부분 Converter System이 동작하지 못하도록 되어 있으나 경우에 따라서는 이 때에도 Converter 의 동작에 문제가 없도 록 제작되어 있을 수 있다.

< Fig01. Converter Circuit >

< Fig02. SCR Gate Firing 각도에 따른 Converter 출력파형 >

< Fig03. DC Filter 설치 전·후의 Converter 출력파형 >
AC 입력전원을 DC 로 변환하는 원리를 간단히 기술하면 다음과 같다.
1) 입력파형 - 출력파형
그림(Fig04)와 같이 입력측에 ±교류전원이 인가되면 방향성의 반도체 (SCR)에 의해 부하측에는 +방향의 직류전원이 인가된다.

< Fig04. 단상 전파정류회로 >
2) 입력
+반파형 입력전원의 +반파형에 대해서는 SCR 1,4 번이 On 되고 SCR 2,3 번은 Off 되며 , 전류는 그림(Fig05) 와 같이 SCR 1,4 번을 통해 흐르게 되고 부하측 에는 +방향의 직류전원이 인가된다.

< Fig05. +반파형 입력에 대한 정류회로 동작 >
다. 입력 : - 반파형 입력전원의 -반파형에 대해서는 SCR 2,3 번은 On 되고, SCR 1,4 번은 Off 되며 , 전류는 그림(Fig06) 과 같이 SCR 3,2 번을 통해 흐르게 되고 부하측 에는 +방향의 직류전원이 인가된다.
2. Battery
전력을 충전시켜 두었다가 입력전원의 Trouble시 방전하는 장치로서 보통 UPS 정격전류에서 30분간 Back-up 이 가능하도록 설계되며 UPS 용 량에 따라 Battery AH 가 결정되고, DC 전압에 따라 수량이 결정된다. Battery 의 종류는 산성 Battery, 알칼리 Battery 로 대별되며 당사의 경 우 무보수 밀폐형 산성 Battery 를 주로 사용하고 있다.

< Fig06. - 반파형 입력에 대한 정류회로 동작 >
3. 인버터(Inverter)
DC 전원을 부하에 필요한 정전압/정주파수의 AC 로 만들기 위해 구형 파를 발생시키는 장치로서 , 제작사에 따라 SCR, Transistor, IGBT(Insulated Gate Bipolar Transistor), GTO(Gate Turn Off SCR) 등 다양한 소자를 사용하 여 System 을 구성하고 있으며 , 보통 4 개의 소자로서 구성되어 있고, Inverter 출력이 3 상 AC 인 경우에는 12 개의 소자가 사용된다. 그림(Fig07)참조.
또, Inverter 출력전압의 크기는 이들 소자의 구동시점 및 시간 제어에 의해 조정되는데 , 출력이 3 상인 경우에는 각 상별로 120 도의 위상차를 두고 소자를 구동시키며 이를 위해 별도의 Control PCB 가 설치되어 있다. SCR 을 사용하는 경우에는 도통된 SCR 을 Off 시켜 주기 위한 회로(보통 L 과 C 로써 구성되며 Commutation Circuit(轉流回路)라고 함.) 가 추가로 필 요하다.

< Fig07. 1상 Inverter 회로 >
SCR 을 사용하는 Inverter 의 동작순서를 간단히 기술하면 다음과 같다.
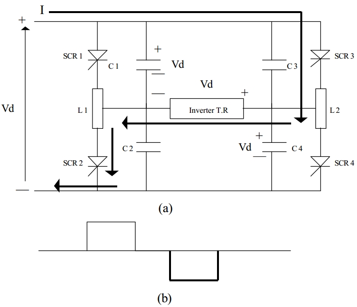
1) SCR 1 On, SCR 2 Off, SCR 3 Off, SCR 4 On
SCR 1,4 를 On 시키면 , 전류는 그림(Fig08-(a))와 같이 흐르게 되고, Inverter T.R 에는 +Vd 의 전압이 인가되며 Inverter 출력파형은 그림(Fig08-(b)) 와 같이 된다. 또한, 이와 동시에 Capacitor C2, C3 는 Vd 로 충전된다. 이때 , SCR 2 를 On 시키면 , 순간적으로 Capacitor C2 는 그림(Fig09-(a))와 같이 방전되며 , Choke L1 에는 Capacitor C2 의 충전전압 Vd 가 인가되어 SCR 1 의 Cathode 단자에는 2Vd 의 전압이 인가된다.

< Fig08. SCR 1,4 On 시 1상 Inverter 회로의 동작 및 출력파형 >
따라서 , SCR 1 은 역전압 Vd 에 의해 Off 되게 된다. SCR 4 의 경우도, 동일한 Mechanism 에 의해 Off 되며 , 결국, Inverter T.R 에는 그림(Fig09-(b))와 같이 0V 가 인가되게 된다.

< Fig09. SCR 1 Off Mechanism 및 SCR 1,4 Off 시 출력파형 >
2) SCR 1 Off, SCR 2 On, SCR 3 On, SCR 4 Off
SCR 2,3 를 On 시키면 , 전류는 그림 4-1 0 (a)와 같이 흐르게 되 고,Inverter T.R 에는 - Vd 의 전압이 인가되며 Inverter 출력파형은 그림(Fig10-(b))와 같이 된다. 또한, 이와 동시에 Capacitor C2, C3 는 Vd 로 충전된다. 이때 , SCR 4 를 On 시키면 , 순간적으로 Capacitor C4 는 그림(Fig11-(a)) 와 같이 방전되며 , Choke L2 에는 Capacitor C4 의 충전전압 Vd 가 인가되 어 SCR 3 의 Cathode 단자에는 2Vd 의 전압이 인가된다. 따라서 , SCR 3 는 역전압 Vd 에 의해 Off 되게 된다. SCR 2 의 경우도, 동일한 Mechanism 에 의해 Off 되며 , 결국, Inverter T.R 에는 그림(Fig11-(b))와 같이 0V 가 인가되게 된다.

< Fig10. SCR 2,3 On시 1상 Inverter 회로의 동작 및 출력파형 >
4. Output Filter
Inverter 의 AC 출력은 많은 고조파를 함유하므로 이를 제거하기 위해 Inverter 출력단에 Filter 를 설치한다. 일반적으로, Inverter 출력에는 제 3, 5, 7 고조파가 주로 많이 함유되어 있는데 , 이중 제 3 고조파는 주로 Inverter T.R 을 Zig-zag 로 결선하거나, Inverter 를 PWM (Pulse Width Modulation) 제어함으로써 제거하며 제 5, 7 고 조파는 별도로 L - C Filter 를 추가로 설치하여 제거한다. 그림(Fig12)는 제 5, 7 고조파 제거용 Output Filter 의 예를 든것이다.

< Fig11. SCR 3 Off Mechanism 및 SCR 2,3 Off시 출력파형 >

< Fig12. Output Filter >
5. Static Switch
Inverter Trouble 시 또는 점검 /정비작업을 하고자 할 경우 무순단 절체 를 위한 장치로서 SCR Type , SCR - Magnetic Contactor 조합형 , SCR Circuit Breaker 조합형이 있으며 , Control PCB 에 의해 제어된다. 당사 Complex 의 경우에는 SCR Type 이 주로 사용되고 있으므로 이 해를 돕기 위해 1 상 UPS 의 SCR Type Static Switch 회로를 그림(Fig13-(a))에 도시하였다. 이를 간략히 설명해 보면 , 그림(Fig13-(b))의 Static Switch Control Circuit 에서 RL2 는 Inverter 출력 전원과 Bypass 입력전원이 서로 동기상태일 때 여자되는 보조계전기 접점이며 , RL2 가 여자되어 있다고 가정할 때 , Bypass To Load Push Button Switch 를 누르면 , 보조계전기 RR1 이 Off 되어 , 그림(Fig13-(a))의 SCR207, SCR 208 이 On 되며 부하는 Bypass 전원으로 절체되 게 된다.


< Fig13. 1상 UPS 용 Static Switch Circuit >
또, Inverter To Load Push Button Switch 를 누르면 그림(Fig13-(b))에서 SCR Q1 이 On 되어 보조계전기 RL1, RR1 이 On 되며 , RR1 접점에 의해 그림(Fig13-(a))의 SCR 209, SCR 210 이 On 되고, 부하는 Inverter 전원으로 절 체되게 된다. 물론, 비동기 상태이면 RL2 Relay 가 Off 되므로 수동절체가 이루어질 수 없으며 역전압이 걸릴 때까지는 Off 되지 않는 SCR 의 특성때문에 절체는 모두 무순단으로 이루어지게 된다.
6. Maintenance Bypass Switch
UPS Trouble 로 인한 수리작업시 또는 점검작업시 , 부하에 전원을 공 급하기 위한 장치로서 Circuit Breaker Type , 3 Position Switch Type , Circuit Breaker – 2 Position Switch 조합형이 있다. 참고로, 위에 기술한 3 가지 Type 의 Maintenance Bypass Switch 회로를 도시해 보면 그림(Fig14 ~ 16)과 같다.

< Fig15. Circuit Breaker - 2Position Switch Type Maintenance Bypass Switch >

< Fig16. 3Position Switch Type Maintenance Bypass Switch >
| UPS - 순시전압 저하현상의 대책 (0) | 2024.05.28 |
|---|---|
| 보호계전기( Protective relay)의 종류 및 설명 (0) | 2024.05.27 |
| UPS System의 구성 및 종류 (0) | 2024.05.23 |
| 변압기(단상)의 병렬운전 구비조건 (0) | 2024.05.22 |
| 변압기 보호계전방식의 종류 (0) | 2024.05.21 |