
1. SPD 종류와 특성
SPD의 종류는 그림 17과 같이 방전갭형(SG : Spark Gap)과 MOV(산화금속바리스터)로 대표되는 반도체형 SPD 등이 있다.

< Fig01. SPD의 종류와 특성 >
2. SPD 구조와 특징
① SPD는 회로에 접속한 단자형태에 따라 1포트 SPD와 2포트 SPD가 있으며, 각각의 SPD 특징 및 표시 예는 아래 표 6과 같다.
② 1포트 SPD는 전압 스위칭형, 전압 제한형 또는 복합형 기능의 SPD가 있다. 또한, 2포트 SPD는 복합형 기능의 1종이다.
< 표01. SPD 구조와 특징 >

3. SPD의 적용 위치 및 용량 시설예시
SPD를 선정할 때는 보호레벨, LPZ, SPD의 등급 등을 선정하는 것이 중요하다. 특별고압 수용가의 승강기 분전함, 급수설비 분전함 및 변전설 저압측 모선 등에 그림(Fig02)과 같이 SPD를 적용하며, 그 설치 환경기준은 IEEE C62.41 Category C3의 1.2/50 ㎲ - 8/20 ㎲, 20 ㎸/10 ㎄크기의 서지가 침입하는 것으로 하여 설치한 사례이다.

< Fig02. 특별고압 수용가의 SPD 적용 위치 및 용량 시설예시 >
4. SPD의 시설
① 일반적으로 설비의 인입구 또는 그 부근에서 SPD는 표01 및 그림(Fig03~06)과 같이 설치한다.

< 표02. 계통 구성에 따른 SPD의 연결 >
【비고 1】 ○ : 의무사항, △ : 선택사항 또는 추가사항, × : 적용불가
【비고 2】 : SPD를 ELB의 부하측에 설치하는 경우
: SPD를 ELB의 전원측에 설치하는 경우

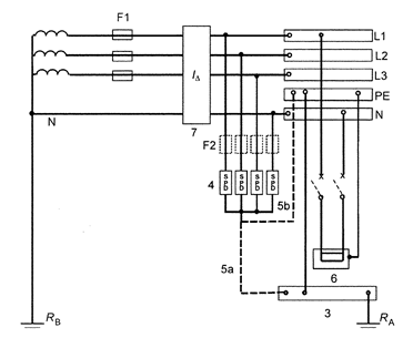
3 : 주 접지단자 또는 접지대
4 : SPD
5 : 접지선(5a, 5b)
6 : 기기
7 : 누전차단기(ELB)
F1 : 전원설비 보호장치
F2 : SPD 보호장치(퓨즈 등)
RA : 기기 접지전극(접지저항)
RB : 계통 접지전극(접지저항)
< Fig03. ELB의 부하측에 설치한 SPD(TT 계통) >

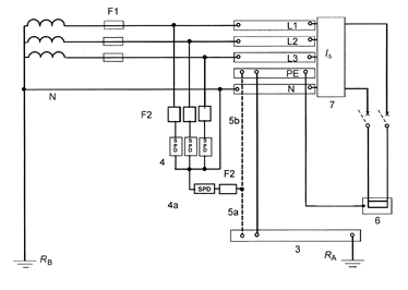
3 : 주 접지단자 또는 접지대
4 : SPD
4a : SPD(또는 방전갭)
5 : 접지선(5a, 5b)
6 : 기기
7 : 누전차단기(ELB)
F1 : 전원설비 보호장치
F2 : SPD 보호장치(퓨즈 등)
RA : 기기 접지전극(접지저항)
RB : 계통 접지전극(접지저항)
< Fig04. ELB의 전원측에 설치한 SPD(TT 계통) >
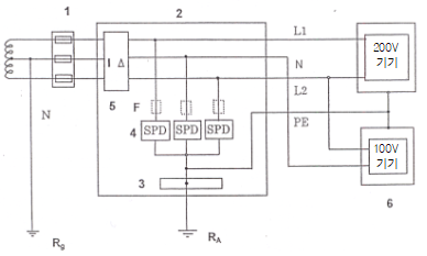
※ 단상 110/220V인 경우의 SPD 접속(예)

1 : 설비 인입구
2 : 분전반
3 : 주 접지단자 또는 접지대
4 : SPD
5 : 누전차단기(ELB)
6 : 기기
F : SPD 보호장치(퓨즈 등)
RA : 기기 접지전극(접지저항)
RB : 계통 접지전극(접지저항)
< Fig05. ELB 부하측내에 설치한 SPD 설치예-1(TT 계통) >

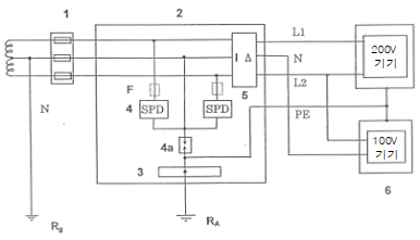
1 : 설비 인입구
2 : 분전반
3 : 주 접지단자 또는 접지대
4 : SPD
4a : SPD(또는 방전갭)
5 : 누전차단기(ELB)
6 : 기기
F : SPD 보호장치(퓨즈 등)
RA : 기기 접지전극(접지저항)
RB : 계통 접지전극(접지저항)
< Fig06. ELB 전원측에 설치한 SPD 설치예-2(TT 계통) >
| 유입차단기(O.C.B : Oil Circit Breaker)의 구조 및 절연유의 열화원인 (0) | 2023.12.18 |
|---|---|
| SPD(Surge Protector Device) 보호장치의 계통도 및 기타사항 (0) | 2023.12.15 |
| 수평도체의 설치개념도 및 인하도선 시스템 (0) | 2023.12.11 |
| 등전위본딩 시스템의 개념 및 적용 예시 (2) | 2023.12.08 |
| 등전위본딩(Equipotential bonding) 시스템 설명 (2) | 2023.12.07 |