
1. 평형비임형(balance beam type)
balance beam형 계전기의 동작원리는 hinge형과 같고 balance beam에 의해 가동부 무게의 영향이 없도록 한것이 특징이다. 또 반항력으로 스프링 대신 다른 억제코일을 두어 두 전류의 크기를 비교하여 동작하도록 할 수 있다.

< Fig01. balance beam형 >
2. 유도환형(誘導環形)
유도환형 계전기는 가동코일에 전류를 흘릴때의 전자유도작용에 의한 일종의 전류력계형 계전기다. 그림과 같이 전류 I1에 의한 자속ψ1의 유도작용으로 유도환내에 I1에 비례하는 전류를 흘리고 이 전류 I1과 전류 I2에 의한 자속ψ2의 전자력으로 유도환을 회전시키는 것이다. 가동부분이 가벼우므로 고속도 계전기에 사용된다.

< Fig02. 유도환형계전기 >
3. 전류코일(Current coil)
전류가 인가되는 코일로서 일반적으로 코일의 turn수가 전압코일에 비해 매우 적은 것이 특징이다.
4. 전압코일(Voltage coil)
전압이 인가되는 코일로서 전류코일에 비해 turn수가 많다. 즉 코일의 임피던스가 커서 정격전압을 가하였을때 코일에 흐르는 전류는 수10mA~수100mA 정도이다.

< Fig03. voltage coil >
5. 동작코일(Operating coil)
동작력을 발생시키는 코일이며 복수의 전기량을 비교하는 계전기에 사용된다.

< Fig04. operating coil >
6. 가동코일형(moving coil type)
가동코일형은 영구자석에 의한 자계와 그 자계내에 설치되어 있는 가동코일 전류와의 상호작용에 의해 가동코일이 회전하게 된다. 가동코일형은 코일에 흐르는 전류가 교류일 경우 구동력이 진동하므로 직류계전기용으로만 사용할 수 있다. 가동코일형의 장점은 물리량의 변화를 전기적인 값으로 바꾸었을때 그 값이 미소하더라도 동작하게 하므로 속도, 위치, 수위, 온도등의 검출계전기로 적합하다. 단, 구동력이 작으므로 확실한 동작을 위하여 보조계전기를 사용하여 self holding 회로를 설치할 필요가 있다.
7. 전동기형(電動機形)
직류전동기 또는 warren모터와 동기전동기 등으로 구동시키는 것으로 지연시간으로 응동하는 한시계전기에 사용한다.
8. 열동형(熱動形, thermal type)
열동형계전기는 열효과로 동작하며 실폰형은 수열밸브부에 액체를 넣어서 온도상승에 기화압력으로 2m 정도의 도관에 연결된 벨로우즈를 팽창시켜서 접점을 개폐한다. 바이메탈형은 바이메탈의 만곡으로 접점을 개폐하는 것으로서 온도변화에 직접응동하는것과 전류를 저항에 흘려서 저항의 온도변화에 응동시키는것 등이 있다.
9. 정류형(整流形)
교류를 정류하여 직류로 바꾸면 유극형 계전요소, 가동코일형 계전요소 또는 직류용 plunger형 계전요소등 각종의 직류요소를 동작시킬 수 있다. 정류형의 원리는 차동전류로 순시요소를 여자하고 그후 직렬공진 회로를 통하여 기본 주파수 전류로 유극형 계전기의 가동코일을 여자하고 병렬공진회로를 통한 고조파 전류로 억제코일을 여자한다. 유극요소는 별도로 통과전류에 의한 억제로 외부사고시의 오동작을 방지하며 순시요소는 대전류 내부사고시의 보호용이다.
10. 정지형(static type)
정지형 계전기는 주요소에 사용되고 있는 부분의 종류에 따라 트랜지스터형, 전자관형, 자기증폭형, hole효과 등이 있는데 현재 주로 사용되는 것은 트랜지스터형이며 정지형계전기에는 많은 종류의 전자기본회로가 사용되는데 이중에서 switching 관계회로가 많이 쓰인다. 스위칭 회로에는 ⅰ)논리회로 ⅱ)레벨검출회로, ⅲ)적분회로, ⅳ)한시회로 등이 있다.
11. 플런저형(plunger type)
plunger형은 코일에 흐르는 전류에 의해 생긴 자계내의 철심이 자화되어 자기적 평형 위치까지 흡인되도록 전자력을 이용한 것으로 흡인력이 철심중량보다 크면 작동한다. 교류용은 shading coil을 갖는다.

< Fig05. Plunger형 >
12. 힌지형(hinge type)
Hinge형은 코일에 흐르는 전류에 의해 발생한 자계로 고정철심 및 가동철편이 자화되어 서로 흡인력이 생기며 이 힘이 스프링의 반발력보다 커지면 동작한다. 이 흡인력은 자속밀도의 제곱에 비례한다.

< Fig06. hinge형 >
13. 유극형(有極形,polarized type)
유극형은 영구자석을 사용한 직류용과 권선으로 자극을 만드는 교류용이 있으며 영구자석내에 가동철심을 두고 여기에 감은 코일에 전류를 흘려 코일의 극성이 한쪽 공극과 반발하고 다른 한쪽과 흡인하여 동작하는 것으로 큰 시동력을 얻을 수 있고 동작속도가 빠르며 소비전력이 적으므로 고속도 계전기로 사용된다.

< Fig07. 유극형 >
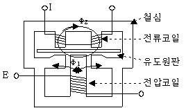
14. 유도원판형(誘導圓板形, induction disc type)
구동력이 작용하는 도체가 원판으로 되어 있으며 구조에 따라 shading coil형과 전력계형으로 구분된다.

< Fig08. 유도원판형 - shading coil형 >

< Fig09. 유도원판형 - 전력계형 >
shading coil형은 그림(Fig08)와 같은 구조로 되어 있으며 air gap을 갖는 자기회로에 하나의 코일이 설치되어 구동전류가 가해진다. 자극부분에서 자로는 둘로 나누어지고 각각의 자속의 위상이 다르게 되도록 shading coil을 설치하여 와류가 발생하도록 하여 양자의 엇갈림에 의해 생기는 회전력을 이용한다.
전력계형은 적산전력계와 똑같은 구조로 되어 있다. 서로 다른 두개의 자기회로에 각각 1조의 코일이 설치되어 각각의 자기회로는 필요한 두가지 자속을 만들어 회전자를 구동 시킨다.[그림(Fig09)참조]
15. 유도원통형(誘導圓筒形, induction cup type)
유도원판형에서는 회전자가 원판모양이기 때문에 관성 모멘트가 커서 고속도 계전기를 제작하기 어렵다. 유도원통형은 회전자를 원통모양으로 하여 저관성모멘트 구성으로 한것이다. 구조는 유도전동기와 비슷한 모양으로 되어 있지만 전동기의 회전자 철심에 상당하는 부분이 내부철심으로 고정되어 있고 회전자 도체에 상당하는 부분만이 자유로이 회전한다. 그림(Fig10)는 4극 유도원통형의 기구로서 이것은 회전자 주위에 있는 4개의 자극이 대칭적으로 배치되어 각 자극에 의해 생기는 회전자속에 의하여 회전자가 회전하게 된다.

< Fig10. 4극 유도원통형 >
16. 전류력계형(電流力計形)
동작원리는 교류전력계와 같으며 주로 전압, 전류의 양요소로 동작하는 방향계전기, 거리계전기 등에 사용된다. 즉, 전류를 고정코일에 가하여 생긴 자속 가운데 전압에 비례한 전류가 흐르는 가동코일을 설치하여 상호작용으로 동작 구동력을 얻는다.

< Fig11. 전류력계형 >
| 등전위본딩(Equipotential bonding) 시스템 설명 (2) | 2023.12.07 |
|---|---|
| 케이블드럼의 주의사항 및 취급방법(Cable Drum Precautions) (2) | 2023.12.06 |
| 디지털 보호계전기(Digital Relay)의 구성 / 강제여자회로의 설명 (0) | 2023.12.04 |
| 디지털계전기(Digital Relay)의 자동감시기능 (0) | 2023.12.01 |
| 송전 배전 계통운영방식 - 원격감시제어설비(SCADA) (1) | 2023.11.29 |