
1. 인터록 (interlock)
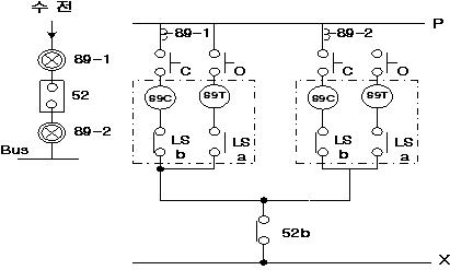
전로를 개폐할 때 단로기 단독으로는 일반적으로 부하전류를 투입 또는 차단해서는 않된다고 하는 것이 상식이며 차단기가 열려 있는 조건하에서 단로기를 열수 있도록 하며 차단기를 투입하기 전에 미리 단로기를 닫아 둘 필요가 있는 것이다. 만일 실수로 인하여 부하전류를 끊을 경우 부하전류의 크기에 따라 Arc에 의하여 단로기는 파손되고 2상 또는 3상 단락사고로 발전할 뿐만 아니라 사람에게도 중대한 재해를 미치게 된다. 따라서 이 조작순서를 확보하기 위하여 차단기와 단로기를 interlock하여 단로기가 조작되려면 차단기가 열려져 있는 경우에 한해서 조작이 이루어지도록 한 것이다. 아래 그림은 1회선 수전시 CB와 DS간의 inter-lock을 표시한 것으로서 2회선 이상 다회선 수전 시에는 각각의 회선 간에도 interlock을 하기도 한다.

< Fig01. 차단기의 인터록 회로 >
2. 소호 (Arc quenching)
소호란 전류 차단 시 차단기 접촉자간에 발생한 아-크의 차단을 말한다. 소호의 원리에 대하여는 앞 부분의 기술을 참고하기 바란다.

< Fig02. 소호 (차단 성공) >
3. 재발호
교류회로를 차단하는 경우 접점 開離에 의하여 Arc가 발생하며 접점 간격이 증가함에 따라 Arc가 퍼지게 된다. 전류는 반주기마다 0이 되기 때문에 이때 Arc는 순시 소멸된다. 그러나 이 순간은 접점간에 다수의 이온이 남아 있기 때문에 절연은 회복되지 않고 전류 0값 직후 접점간의 전압 때문에 Arc가 발생한다. 이와 같이 전류 0값 통과후 Arc의 재발을 재발호라고 하며 열적 재발호 및 냉적 재발호 등으로 부른다. 재발호력은 주로 회로상태에 의하여 정하여 지는 재기전압 및 회복전압으로 표시한다.

< Fig03. 재발호 (차단 실패) >
| 단로기(Disconnecting Switch)의 종류 및 구조 (0) | 2023.09.25 |
|---|---|
| 차단기의 차단전류(Breaking current) 및 차단용량(Breaking capacity)의 의미 (1) | 2023.09.22 |
| SF6가스의 특성 / 공기 절연형과 가스 절연형 특성 비교 (2) | 2023.09.20 |
| 차단기 트립방식의 비교 / 트립프리(Trip Free) 방식 (0) | 2023.09.19 |
| 차단기의 표준 동작책무(Duty cycle, Operating duty) (0) | 2023.09.18 |