
1. 주차요금 시스템의 개요
경제발전과 더불어 소득수준 향상, 대중교통의 서비스 낙후 등에 따른 자연스런 승용차의 증가로 인해 현재의 주차난은 매우 심각하며 앞으로도 더욱 심화될 것으로 생각된다. 이에 앞으로 많은 주차장들의 주차요금 징수는 불가피하며 그 방법에 있어 어떻게 하면 효과적으로 주차요금을 징수하며 체계적으로 관리하여 주차장 운영의 효율성을 극대화할 것인가 하는 문제는 매우 중대하다.
주차장에 출입하는 차량을 통제하며 요금을 징수하는 것은 운영자 입장에서는 당연하고 기분 좋은 일인지 모르나 주차장을 이용하는 고객을 위한다면 시설 못지 않게 출입시 통제되는 좁은 차로를 통과할 때 겪는 곡예운전의 불안감 해소와 주변도로의 정체 해소를 위한 노력이 최상의 고객서비스가 될 것이다.이러한 점으로 보아 설계 또는 시공시 세심한 주의를 기울여야 한다.
· 설계시공시 고려사항
- 출입차량 통제에 가장 접합한 장소인가.
- 모든 차량을 통제할 수 있는 곳인가.
- 경사는 어느 정도인가.
- 주변도로의 정체는 해소될 수 있는 곳인가.
- 건축설계팀과 협의하여 변경할 수는 없는가.
- 정체될 경우 해소방법은 있는가.
2. 주차요금 시스템의 분류
요금징수 시스템의 분류는 정산위치에 따라 분류할 수 있으며, 다음으로 나누어진다.
① 출구 정산방식
② 사전정산방식
③ 혼합정산방식
④ 스마트 패스 정기고객 관리방식
3. 시스템별 구성 및 특징
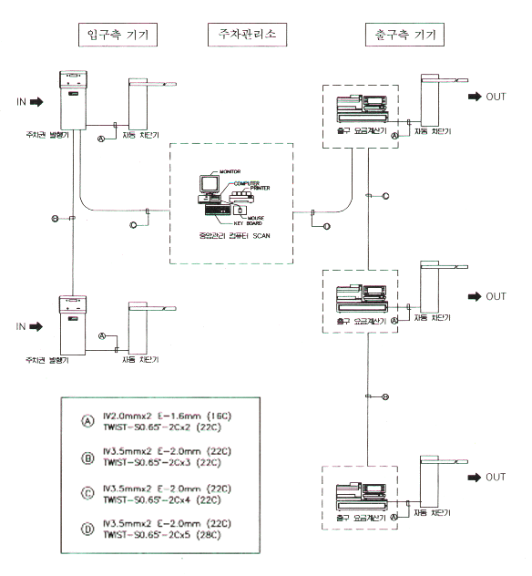
1) 출구정산방식
가장 일반적인 형태로 출구에서 정산요원이 요금을 계산하는 방식으로 주로 소규모의 부설주차장 등에 적용된다
1-1) 구성

1-2) 이용방법
1-2-1) 입차
· 입구에 설치된 주차권 발행기에서 주차권을 발급받는다.(정기권, 정액권 및 특수권 소지자는 발행기에 티켓을 삽입한 후 다시 되돌려 받는다.)
· 티켓을 뽑으면 차단기는 자동으로 열린다.
· 차량이 진입한 후 차단기는 자동으로 닫힌다.
1-2-2) 출차
출차를 위해 출구에 도착한 운전자는 출구 요금 정상원에게 티켓을 주고 요금을 계산한다.(이때 계산된 티켓은 폐 티켓으로 수납된다)
· 정기권 정액권 및 특수권 소지자는 요금 정산없이 티켓 판독 후 다시 티켓을 되돌려 받는다.
· 요금 정산 및 정기권 판독시 티켓에 이상이 없으면 차단기는 자동 오픈되며 출차한다.
· 차량 통과 후 차단기는 자동으로 닫힌다.
1-3) 적용주차장
· 약 300대 이하의 소규모 주차장
· 건물 부속의 간이형 소형 주차장
· 대형 주차장의 경우로서 동일층의 넓은 공간에 주차장이 확산 배치된 경우
· 현재까지는 주로 서비스업종의 주차장에 적용된다.
1-4) 특징
출구 차선에 비해 주차대수가 많을 경우 출차시 정체가 가중될 수 우려가 있다.
2) 사전정산방식
사전정산방식이란 차에 탑승전 주차장내의 일정한 장소에서 주차료를 미리 정산한 후 차를 가지고 출차하는 방식으로 주로 대규모의 전용 주차장에 설치한다.
2-1) 구성

2-2) 이용방법
2-2-1) 입차
· 입구에 설치된 주차권 발행기에서 주차권을 발급받는다.(정기권, 정액권 및 특수권 소지자는 발행기에 티켓을 삽입한 후 다시 되돌려 받는다.)
· 티켓을 뽑으면 차단기는 자동으로 열린다.
· 차량이 진입한 후 차단기는 자동으로 닫힌다.
2-2-2) 주차 및 요금정산
· 주차장에 주차한 운전자는 차를 떠나 업무를 볼 때 반드시 주차권을 소지하여야 한다.
· 업무를 마친 후 차에 탑승 전 소지한 주차권을 일정에 장소에 설치되 무인요금 계산기 또는 유인 요금 계산기에서 요금을 계산하고 영수증이 발급된다.
· 계산된 주차권은 반드시 되돌려 받아 출구로 나간다.
· 정기 정액권 소지자는 계산의 절차가 필요없이 출구로 나간다.
2-2-3) 출차
출구에 설치된 출구 판독기에 계산된 티켓을 삽입하면 차단기는 자동으로 열리고 출차한다.(티켓은 자동으로 수납된다)
정기권 이용자는 티켓 판독 후 되돌려 받는다.
2-3) 적용주차장
· 약 500대 이상의 대규모 주차장
· 24시간 영업이 필요한 전용 주차장
· 지하철, 역 등의 대규모 환승 주차장
· 입출구 개소가 많아 인건비 지출이 많은 주차장
2-4) 특징
· 무인 요금계산기를 설치할 경우 초기 투자비가 다소 증가하지만 관리 인건비가 대폭 절감되는 효과가 있어 주차장 운영의 합리화를 꾀할 수 있다.
· 미리 요금 계산을 하였기 때문에 출구에서의 정체가 해소될 수 있다.
· 요금 계산 후 출차 가능한 grace time(요금계산 후 출구까지에 필요한 소요시간)을 초과하는 경우가 발생하지 않도록 사전 홍보가 필요하다.
· 미리 계산을 마치지 못한 운전자가 많을 경우 출구 정체가 가중될 수 있어 사전에 충분한 홍보가 필요하다.
· 선진국의 주차장에서 주로 사용되는 방식이다.
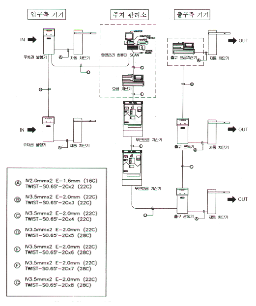
3) 혼합정산방식
사전정산방식에 출구정산방식을 혼합한 형태로 출구에서도 요금정산을 할 수 있는 차선을 한 두곳 설치하여 미리 요금을 정산하지 못한 고객이 출차하면서 계산하도록 하는 시스템이다.
3-1) 구성

3-2) 특징
· 대규모 주차장으로서 출구에서의 고객에 대한 서비스가 필요한 백화점 등 서비스 업종의 주차장에 이용될 수 있다.
· 미리 계산하지 않고 출구계산소를 이용하려는 고객들 증가로 인해 오히려 출구 정체가 가중될 우려가 있으므로 운영에 유의하여야 한다.
4) 스마트 패스 시스템(Smart pass System)
자동요금 시스템에 부가적으로 설치하거나 정기고객용 단독으로 설치되는 시스템으로 하루에 여러번 임출차하는 정기고객의 경우나 병원의 앰블런스, 범인호송용 차량 등에 유익하게 사용될 수 있다.
4-1) 구성

4-2) 특징
· 창문을 내리지 않고 non stop으로 입출차할 수 있으므로 매우 편리하다.
· 정기고객이 많은 주차장의 경우 rush hour에도 전혀 정체가 없다.
· 티켓을 판독하거나 하는 접촉점이 없어 유지보수가 불필요하다.
· 정기차량이 많은 사옥, 병원, 연구소, 관공서, 대학, 고급빌라 등에 적용되며, 모든 차량의 입출차가 컴퓨터 화면에 표시되며 관리하기 때문에 운영자에게 매우 편리하다.
· 카드 사용이 반영구적이다.
4. 기기설치위치의 선정
현재 국내업계의 설계구조상 건축도면이 완성되고 거기에 짜맞추어 주차요금시스템을 반영하는 어려움이 있으나 여건이 허락된다면 사전에 건축과 협의하여 기기설치장소를 충분히 확보하는 것이 중요하다.
1) 가장 접합한 장소
- 직전차로
- 경사가 없는 차로
- Ramp의 경우 오르막 직전의 위치
- 외부 접속도로의 교통에 지장을 초래할 우려가 없는 곳
2) 가장 부적합한 장소
- 곡선차로로서 특히 우로 굽은 차로
- 경사진 차로로서 특히 오르막 경사로 중간에 설치하는 것은 매우 부적합하다.
- 주변도로 진입직후의 위치는 진입로 부근도로의 정체를 유발할 수 있다.
- 주변도로와 직각으로 만나는 위치는 주차권을 뽑거나 요금을 계산하기가 어렵다.
3) 부위별 설치장소 선택기준
3-1) 경사로의 경우


| 라디오(Radio) 공청설비 / TV 공청설비의 구성 - 안테나(Antenna) (0) | 2023.03.15 |
|---|---|
| 주차권 시스템(Parking Smart Pass)의 분류 / 주차 정기고객 관리시스템의 특징 (0) | 2023.03.14 |
| 음향출력(Sound Output) PWL과 SPL / 데시벨의 계산방법 (2) | 2023.03.10 |
| 음파(Sound Wave)의 반사와 확산 및 음과의 거리 (0) | 2023.03.09 |
| 데시벨(dB : Decibels)이란? / 데시벨의 소음기준 (0) | 2023.03.08 |