
1. 개요
케이블에 사고가 발생하면 보호계전기 동작사항을 확인한 다음 고장발생유형에 따라 고장점을 탐색한다. 즉 1선지락고장의 경우 Murray Loop법을, 단선 또는 지락사고시에는 정전용량법이나 Pulse Radar법을 사용한다, 또한 지락사고 발생시 병행회선이 없는 경우에는 보조선을 설치한 후 Murray Loop법을 사용하여 고장점을 탐지하여야 한다.
2. 고장점 추정방법
1) 머레이루프(Murray Loop)법 - Wheaston Bridge의 원리를 이용한 방식



특징
· 도체저항을 이용한 브리지법으로 측정의 정밀도가 높다.(오차 약 1% 정도)
· 케이블사고의 대부분은 1선지락사고이므로 적용범위가 넓다.
· 측정조작 및 운반이 용이하다.
· 단선사고시에는 적용이 불가능하다.
· 지락저항이 높고 사고점에서 방전되는 경우에는 측정이 곤란하다.
· 3상 동시지락과 같이 건전상이 없는 경우 측정이 곤란하다.
2) 펄스레이더(Pulse Radar)법

특징
· 지락, 단락, 단선 등 어느고장에서나 사용가능하다.
· 병행 건선상이 없어도 되므로 3상 동시 사고점 측정에 적합하다.
· 케이블 전자의 길이를 몰라도 측정이 가능하다.
· 오차폭이 2~5% 정도로 크다.
· 측정기의 조작 특히 펄스판독에 주의를 요한다.
3) 정전브리지(Capacity Bridge)법
- 건전상의 정전용량과 사고상의 정전용량을 비교하여 사고점을 산출하는 방식
· L = 선로긍장 × Cx / C0
· Cx : 사고상의 사고점까지의 정전용량 측정치
· C0 : 건전상의 정전용량 측정치
특징
단선사고의 간편한 측정법으로 원리적으로는 측정정밀도가 높으나 고장점의 접지저항 변동 및 케이블 개개의 특성상 정전용량이 불균일하여 오차가 발생할 수 있다.
4) 탐색코일법(Search Coil Method)
- 지중에 매설된 케이블의 접지점을 지상으로부터 탐색코일과 수화기로서 발견하려는 방법

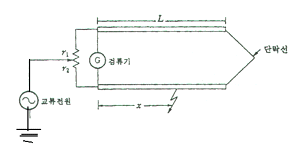
접지가 생긴 케이블에 적당한 고전압을 가하여 완전 접지상태로 한 후에 그림과 같이 교류전원을 접속하여 교류를 보내고 지상에서 케이블에 따라서 탐색코일을 이동시켜 간다. 탐색코일에는 케이블에 흐르는 교류에 의하여 생기는 교번자속이 교차되어 교번기전력이 유기됨으로써 수화기에는 소리가 들리게 된다. 따라서 탐색코일이 접지점을 지나가면 그곳으로부터는 교류가 흐르지 않으므로 급격히 소리가 들리지 않거나 낮아지므로 이것에 의하여 접지점을 알아낼 수 있다
| 인텔리전트빌딩(Intelligent Building) / OA배선시스템의 분류 (0) | 2022.10.21 |
|---|---|
| 케이블의 화재의 문제점 / 케이블 연소의 용이성 비교 (0) | 2022.10.20 |
| 콘크리트 전주/전봇대(Electric Pole) 규격 - 길이,직경,하중,중량 (0) | 2022.10.08 |
| 합성수지몰드(Molding)공사의 설계 및 시공시 주의사항 (2) | 2022.10.07 |
| 합성수지관(CD,HI배관) 공사방법 / 설계시 고려사항 (0) | 2022.10.06 |