
•트랜지스터의 개요
트랜지스터는 기본적으로는 전류를 증폭할 수 있는 부품이다.
아날로그 회로에서는 매우 많은 종류의 트랜지스터가 사용되지만, 디지털 회로에서는 그다지 많은 종류는 사용하지 않는다.
디지털 회로에서는 ON 아니면 OFF의 2치신호를 취급하기 때문에 트랜지스터의 증폭 특성에 대한 차이는 별로 문제가 되지 않는다.
회로 기능은 대부분이 IC로 처리하는 경우가 많다.
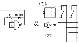
디지털 회로에서 트랜지스터를 사용하는 경우는 릴레이라고 하는 전자석 스위치를 동작시킬 때(릴레이는 구동전류를 많이 필요로 하기 때문에 IC만으로는 감당하기 어려운 경우가 있다)나, 발광 다이오드를 제어하는 경우 등이다.
트랜지스터는 반도체의 조합에 따라 크게 PNP 타입과 NPN 타입이 있다.
그리고, 트랜지스터는 용도와 상기의 타입에 따라 다음과 같은 명칭이 붙여진다.
2SA××× PNP 타입의 고주파용
2SB××× PNP 타입의 저주파용
2SC××× NPN 타입의 고주파용
2SD××× NPN 타입의 저주파용
PNP 타입과 NPN 타입에서는 전류의 방향이 다르다.
마이너스 전압측을 접지로, 플러스 전압측을 전원으로 하는 회로의 경우, NPN 타입 쪽이 사용하기 쉽다.

•트랜지스터의 외관
트랜지스터의 외관은 여러 가지가 있지만, 여기서는 가장 일반적인 두 종류만 실었다.

사진에서 좌측의 트랜지스터는 2SC1815이라는 것으로, 디지털 회로에서 흔히 사용한다. 여러 용도에 사용할 수 있으므로 몇 개씩 낱개로 구입하기보다는 200개가 들어 있는 팩으로
구입하면 경제적이다. 사진에서 우측의 트랜지스터는 2SD880으로, 큰 전류를 취급하려는 경우에 사용한다.
전기적 특성은 각각 아래와 같다.

∙Vceo:
베이스(B)를 오픈했을 때에 컬렉터(C)와 이미터(E)에 걸리는 최대전압.
(단순히 VCE로 표시하는 경우도 있다)
∙Ic:
최대 컬렉터(C) 전류.
∙Pc:
주위온도(Ta)=25℃에서 연속해서 소비시킬 수 있는 최대 컬렉터(C) 손실(방열기 없음)
∙hFE:
이미터(E) 접지에서의 직류에 대한 전류증폭률(IC÷IB).
∙fT:
주파수를 높여가면 증폭 능력이 저하하는데, 베이스 전류(IB)와 컬렉터 전류(IC)가 같아지는 주파수.
[직류증폭을 할 수 없게 되는 주파수(트랜지션 주파수)]
•트랜지스터의 리드
트랜지스터의 종류에 따라 리드의 내용이 다르기 때문에 매뉴얼 등을 참조하여 확인할 필요가 있다.

2SC1815의 경우
품명이 인쇄되어 있는 평평한 면을 바라 보았을 때,
오른쪽 리드가 베이스
중앙의 리드가 컬렉터
왼쪽의 리드가 이미터 이다.

2SD880의 경우
품명이 인쇄되어 있는 면을 바라 보았을 때,
오른쪽 리드가 이미터
중앙의 리드가 컬렉터
왼쪽의 리드가 베이스
이며, 2SC1815와는 반대이다.
| 계전기(Relay)의 개요/사용법 (0) | 2020.12.23 |
|---|---|
| 집적회로(Integrated Circuit)의 개요/설명 (0) | 2020.12.22 |
| 다이오드(Diode)의 개요/종류 (1) | 2020.12.18 |
| 코일(Inductor) 의 개요/성질/종류 (0) | 2020.12.17 |
| 콘덴서(Condenser)의 종류/설명 (0) | 2020.12.16 |