
한국전력의 발전자회사가 분사되기 훨씬 전에, EPRI(Electric Power Research Institute)의 에너지 분배 및 이용담당 부사장인 칼 스탈코프 (KarlStahlkopf)는 "전력 서비스의 상용화가 규제가 없어진 전력 판매시장에 활력이 될 것이며, 선진화된 검침기법이 그러한 서비스를 위한 핵심기술을 제공할 것입니다" 라고 말했습니다. 이러한 일이 이제는 자연스러운 일로 다가오는 군요. 또한 판매 고객들에게 전력 서비스와 공급자에 대한 선택의 범위가 넓어짐에따라, 전력용 계량기는 여러가지 서비스 형태를 관리해야 하며, 수집된 정보를 보다 완 벽하고 효율적으로 이용할 수 있도록 해야 한다.라는 말도 새삼스럽지 않는 현실이 되었군요. 아래 사진의 GE의 전자기계식 전력량계도 이제 점차 사라지고 있는 것 같습니다.
1. 단상 2선식 계량기 결선 (주택에서 가장 일반적)

1) 구성
· L (전압선 / 활선)
· N (중성선)
2) 결선 순서
· 한전에서 들어오는 L 선 → 계량기 ‘입력(라인)’ 단자 연결
· 한전에서 들어오는 N 선 → 계량기 ‘입력(라인)’ 단자 연결
· 계량기 ‘출력(로드)’ 단자에서 건물 분전반으로 L, N 선 나감
3) 특징
· 계량기 내부에 전류가 직접 통과하는 직결식
· 주택·소규모 점포에서 가장 많이 사용.
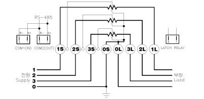
2. 단상 2선식 계량기 결선 – CT 결선 방식(저압·고압 공통)


1) 구성요소
① CT(변류기) 1개
· 1차 : 주회로(R 또는 L선에 설치)
· 2차 : 1S–1L(또는 S1–S2) → 계량기 전류 단자 연결
② 전력량계(CT식 계기)
· 전류단자(I1, I2)
· 전압단자(V, N)
2) 결선 순서
① CT 1차 결선
· P1 → P2 방향 = 전원의 흐름 방향 → 부하 방향
· 일반적으로 활선(L) 에 설치 (중성선 N에는 CT를 걸지 않음)
② CT 2차 결선
· S1 → 계량기 전류 입력 단자 (I1)
· S2 → 계량기 전류 출력 단자 (I2)
· CT 2차는 절대로 개방하면 안 됨(Open 금지) → 무부하 상태에서 고전압 발생 가능
③ 계량기 전압단자 결선
· 전압선(L) → 계량기 V 단자
· 중성선(N) → 계량기 N 단자
즉, 계량기는
· 전류는 CT 2차(5A 등)
· 전압은 실제 전압(220V)
· 을 받아 측정하는 구조입니다.
3. 삼상 4선식 계량기 결선 (산업체·대형 상가)

1) 구성
· R, S, T(3상 전압선)
· N(중성선)
2) 결선 방식
· 삼상 계량기는 대부분 CT(변류기) 결선 방식을 사용함.
4. 삼상 4선식 계량기 결선 – CT 결선 방식(저압·고압 공통)


1) 기본 구성
· 전력량계(KWh Meter)
· CT(변류기) 3개 – R, S, T 각 상
· 단자함(CT 2차단자함)
2) 결선 순서
· CT 1차 : R·S·T 상 주회로에 설치
· CT 2차 : 1S–1L / 2S–2L / 3S–3L 단자로 계량기 전류단자에 입력
· 전압선 R·S·T·N 을 계량기의 전압 단자(Vt)에 연결
· 극성(P1→부하 방향) 확인 필수
3) 주의
· CT 2차는 절대 개방 금지(Open 금지)
· CT 극성(P1, P2)과 계량기 전류코일 방향이 맞지 않으면 역회전(역량) 발생
| 중성선 과 접지선의 차이점 (0) | 2025.12.19 |
|---|---|
| 전선 단면적 mm² 직경(mm)으로 변환 (0) | 2025.12.17 |
| 피뢰침의 설치관련 지침사항 (1) | 2025.12.15 |
| 물과 공기는 절연체인가 도체인가? (0) | 2025.12.12 |
| 현수애자 vs LP애자의 차이점 (0) | 2025.12.10 |