
|
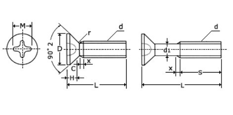
나사의
호칭 (d) |
피치
|
십자
혈의 번호 |
D
|
H
|
C
|
M
|
||
|
기본
치수 |
허용차
|
기본
치수 |
허용차
|
(약)
|
최대
|
|||
|
M2
|
0.4
|
1
|
4
|
0-0.4
|
1.2
|
0-0.2
|
0.2
|
2.2
|
|
M2.2
|
0.45
|
4.4
|
1.3
|
0.2
|
2.4
|
|||
|
M2.3
|
0.4
|
4.6
|
1.35
|
0.2
|
2.4
|
|||
|
M2.5
|
0.45
|
5
|
1.45
|
0.2
|
2.6
|
|||
|
M2.6
|
0.45
|
5.2
|
1.5
|
0.2
|
2.6
|
|||
|
M3
|
0.5
|
2
|
6
|
0-0.5
|
1.75
|
0-0.3
|
0.25
|
3.5
|
|
M3.5
|
0.6
|
7
|
2
|
0.25
|
4.0
|
|||
|
M4
|
0.7
|
8
|
2.3
|
0.3
|
4.4
|
|||
|
M4.5
|
0.75
|
9
|
0-0.6
|
2.55
|
0.3
|
4.8
|
||
|
M5
|
0.8
|
10
|
2.8
|
0.3
|
5.0
|
|||
|
M6
|
1
|
3
|
12
|
0-0.7
|
3.4
|
0-0.4
|
0.4
|
6.6
|
|
M8
|
1.25
|
16
|
0-0.8
|
4.4
|
0.4
|
8.3
|
||

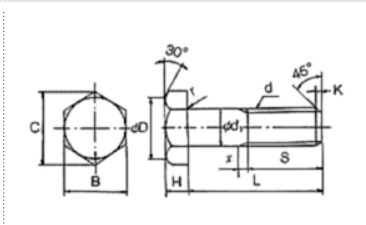
| 호칭 | H | B | C |
| M6 | 4 | 10 | 11.5 |
| M8 | 5.5 | 13 | 15 |
| M10 | 7 | 17 | 19.6 |
| M12 | 8 | 19 | 21.9 |
| M14 | 9 | 22 | 25.4 |
| M16 | 10 | 24 | 27.7 |
| M18 | 12 | 27 | 31.2 |
| M20 | 13 | 30 | 34.6 |
| M22 | 14 | 32 | 37 |
| M24 | 15 | 36 | 41.6 |
| M27 | 17 | 41 | 47.3 |
| M30 | 19 | 46 | 53.1 |

| 보퍼트 풍력계급(Beaufort wind scale)표 (0) | 2024.01.25 |
|---|---|
| P&ID (PIPING & INSTRUMENT DIAGRAM) 작성방법 (0) | 2024.01.23 |
| KS F 4009 레디믹스트 콘크리트 개정(안) (0) | 2023.08.05 |
| 전동기 특성곡선(Motor Performance Curve) 보는 방법 (0) | 2023.07.19 |
| 솔레노이드 밸브(Solenoid Valve)의 원리 및 종류 (0) | 2023.07.18 |